EasyManua.ls Logo

FULTON VSRT Series - 2.4.2 Blowdown Valves; 2.4.3 Steam Safety Valve

FULTON VSRT Series
118 pages
Print Icon
To Next Page IconTo Next Page
To Next Page IconTo Next Page
To Previous Page IconTo Previous Page
To Previous Page IconTo Previous Page
Loading...
INTRODUCTION - 1
Fulton Ltd
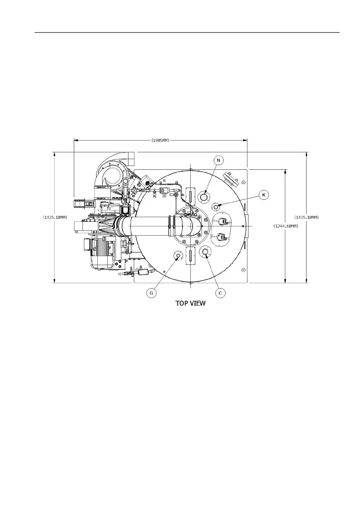
Figure 3 Model VSRT-60 Dimensions Top Side View
VSRT-IOMM-2019-1
Page 5

Table of Contents

Other manuals for FULTON VSRT Series

Related product manuals