EasyManua.ls Logo

FUNAI 27A-664 - Page 25

FUNAI 27A-664
74 pages
Print Icon
To Next Page IconTo Next Page
To Next Page IconTo Next Page
To Previous Page IconTo Previous Page
To Previous Page IconTo Previous Page
Loading...
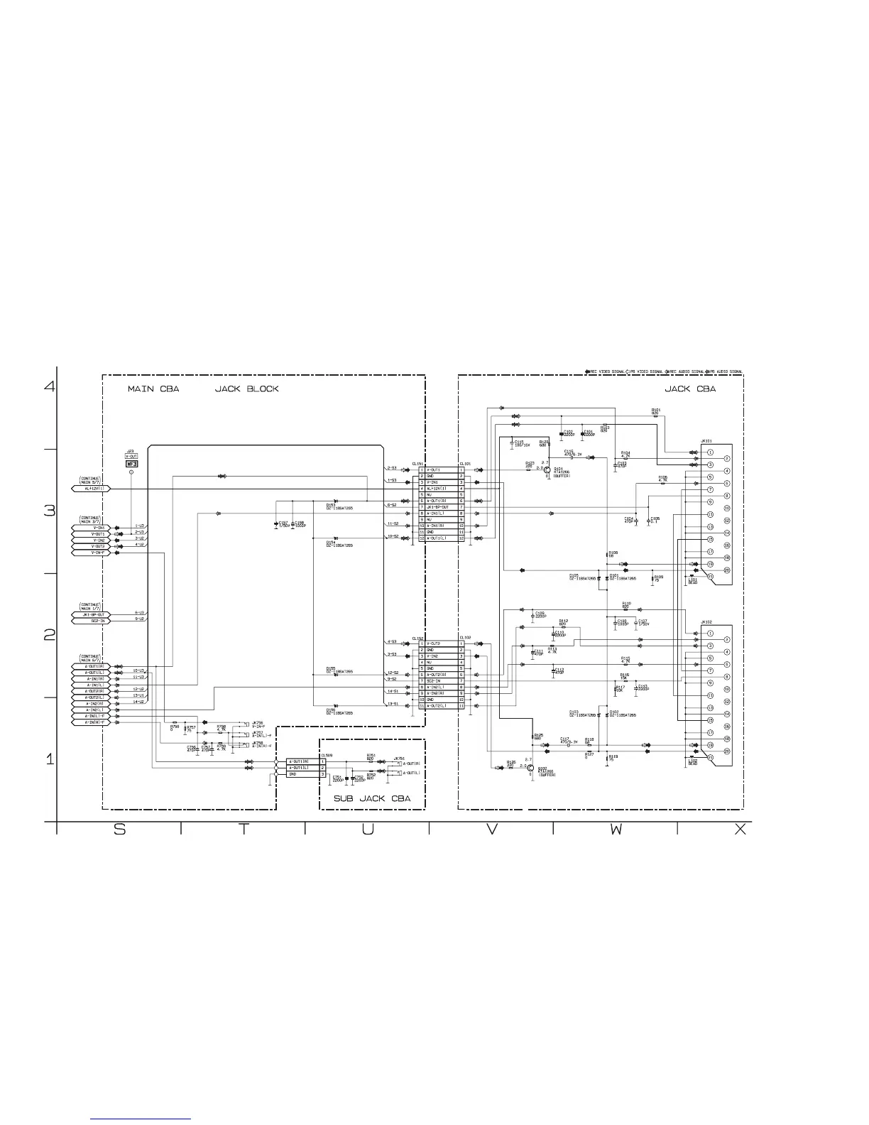
Main 4/7 & Jack Schematic Diagram
1-8-9
1-8-10
HE451SCM4

Related product manuals