EasyManua.ls Logo

FUNAI DR-D2831 - Page 22

FUNAI DR-D2831
67 pages
Print Icon
To Next Page IconTo Next Page
To Next Page IconTo Next Page
To Previous Page IconTo Previous Page
To Previous Page IconTo Previous Page
Loading...
1-9-3
E68C9BLVIS
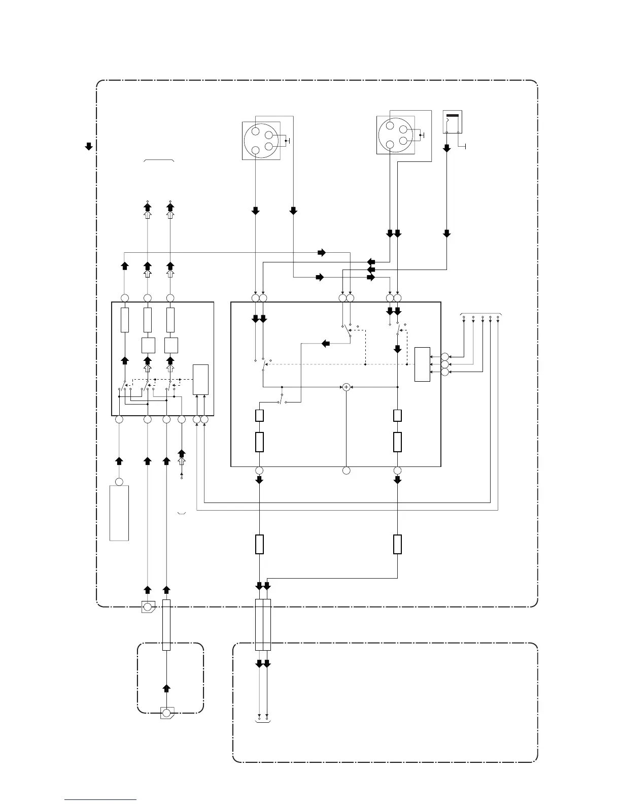
Video Input Select Block Diagram
TO DIGITAL
SIGNAL
PROCESS
BLOCK
DIAGRAM
TO VIDEO
OUTPUT SELECT
BLOCK DIAGRAM
REC VIDEO SIGNAL
AV CBA
(VIDEO INPUT SELECT)IC1209
JK1211
S-VIDEO
IN3
(REAR)
3 4
2
1
Y
Y1
VIDEO4
TU/LINE
MUTE
MUTE
MUTE
Y2
C1
C2
C
JK1212
S-VIDEO
IN4
(FRONT)
3 4
2
1
Y
C
VIDEO-IN4
(FRONT)
JK1201
13
19
20
15
10
12
2
21
4
22 23 24
VIDEO-SW2
TO SYSTEM CONTROL
BLOCK DIAGRAM
VIDEO-SW3
TU1201 (TUNER UNIT)
24
VIDEO OUT
CONTROL
LOGIC
BUFFER
LPF
BUFFER LPF
DVD MAIN CBA
CN601
21 21
VIDEO-Y/CVBS
23 23VIDEO-C
CN1204
Q1231
BUFFER
Q1232
BUFFER
VIDEO-SW1
VIDEO-Y/CVBS
VIDEO-C
IC1219 (VIDEO INPUT SELECT)
29
33
32
28
1
3
5
30
31
6dB
AMP
CONTROL
LOGIC
6dB
AMP
DRIVER
BUFFER
DRIVER
JK1206
VIDEO2 IN
20
VIDEO IN
20
CN2001 CN1210
VIDEO-IN2
10
10
JACK CBA
JK2001
DVD-VIDEO
VIDEO-OUT2
VIDEO-OUT1
TO VIDEO
OUTPUT SELECT
BLOCK DIAGRAM
SDA
SCL

Related product manuals