EasyManua.ls Logo

FUNAI DR-D2831 - Page 23

FUNAI DR-D2831
67 pages
Print Icon
To Next Page IconTo Next Page
To Next Page IconTo Next Page
To Previous Page IconTo Previous Page
To Previous Page IconTo Previous Page
Loading...
1-9-4
E68C9BLVOS
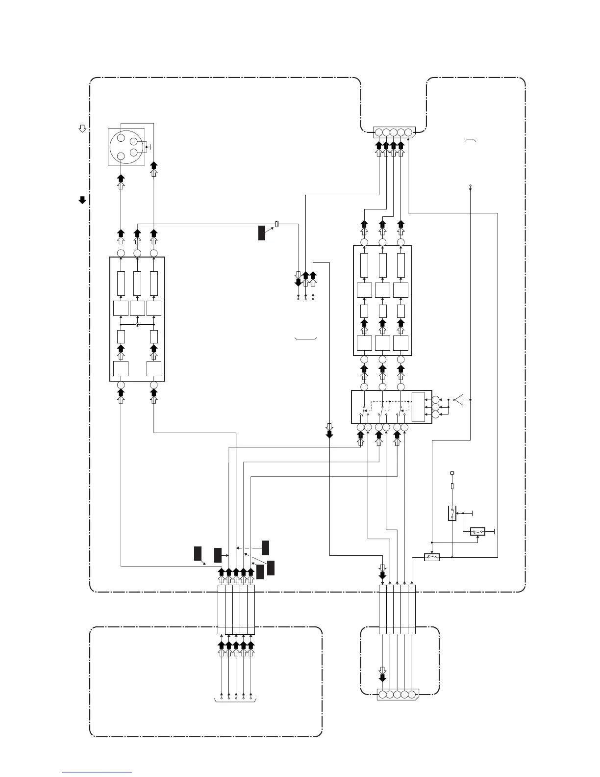
Video Output Select Block Diagram
DVD MAIN CBA
JACK CBA
AV CBA
CN601
CN2001
7
7
VIDEO-G
99VIDEO-C
5
5
VIDEO-B
3
3
VIDEO-R
VIDEO-G
VIDEO-C
VIDEO-B
VIDEO-R
JK1213
S-VIDEO
OUT
CN1204
3 4
2
1
IC1226 (VIDEO DRIVER)
VIDEO-G IN
VIDEO OUT2
VIDEO-B IN
VIDEO-R IN
RGB-SW
YC
C1407
TO DIGITAL
SIGNAL
PROCESS
BLOCK
DIAGRAM
TO SYSTEM CONTROL
BLOCK DIAGRAM
TO VIDEO INPUT SELECT
BLOCK DIAGRAM
REC VIDEO SIGNAL PB VIDEO SIGNAL
WF4
WF1
WF2
WF3
WF5
WF6
JK1206
JK2001
IC1223 (VIDEO DRIVER)
5
4dB
AMP
2dB
AMP
LPF DRIVER
6
8dB
AMP
-6dB
DRIVER
4dB
AMP
2dB
AMP
LPF DRIVER
3
1
7
11VIDEO-Y
VIDEO-Y
4dB
AMP
2dB
AMP
LPF DRIVER
11
4dB
AMP
2dB
AMP
LPF DRIVER
6
10
4dB
AMP
2dB
AMP
LPF DRIVER
8
1
15
IC1221 (SW)
SW
CONTROL
Q1254
Q1252
Q1240
P-ON+3.3V
RGB-THROUGH
Q1246
CN1210
14
13
12
15
1
2
4
9 10 11
3
5
VIDEO-G-IN
13
13
VIDEO-OUT2
8
8
VIDEO-B-IN
12
12
VIDEO-R-IN14 14
RGB-SW
11
11
11
19
15
16
7
VIDEO-G OUT
VIDEO-B OUT
VIDEO-R OUT
RGB-SW
11
VIDEO-OUT119
15
16
7
DVD-VIDEO
VIDEO-OUT2
VIDEO-OUT1

Related product manuals