EasyManua.ls Logo

FUNAI DR-D2831 - Page 24

FUNAI DR-D2831
67 pages
Print Icon
To Next Page IconTo Next Page
To Next Page IconTo Next Page
To Previous Page IconTo Previous Page
To Previous Page IconTo Previous Page
Loading...
1-9-5
E68C9BLA
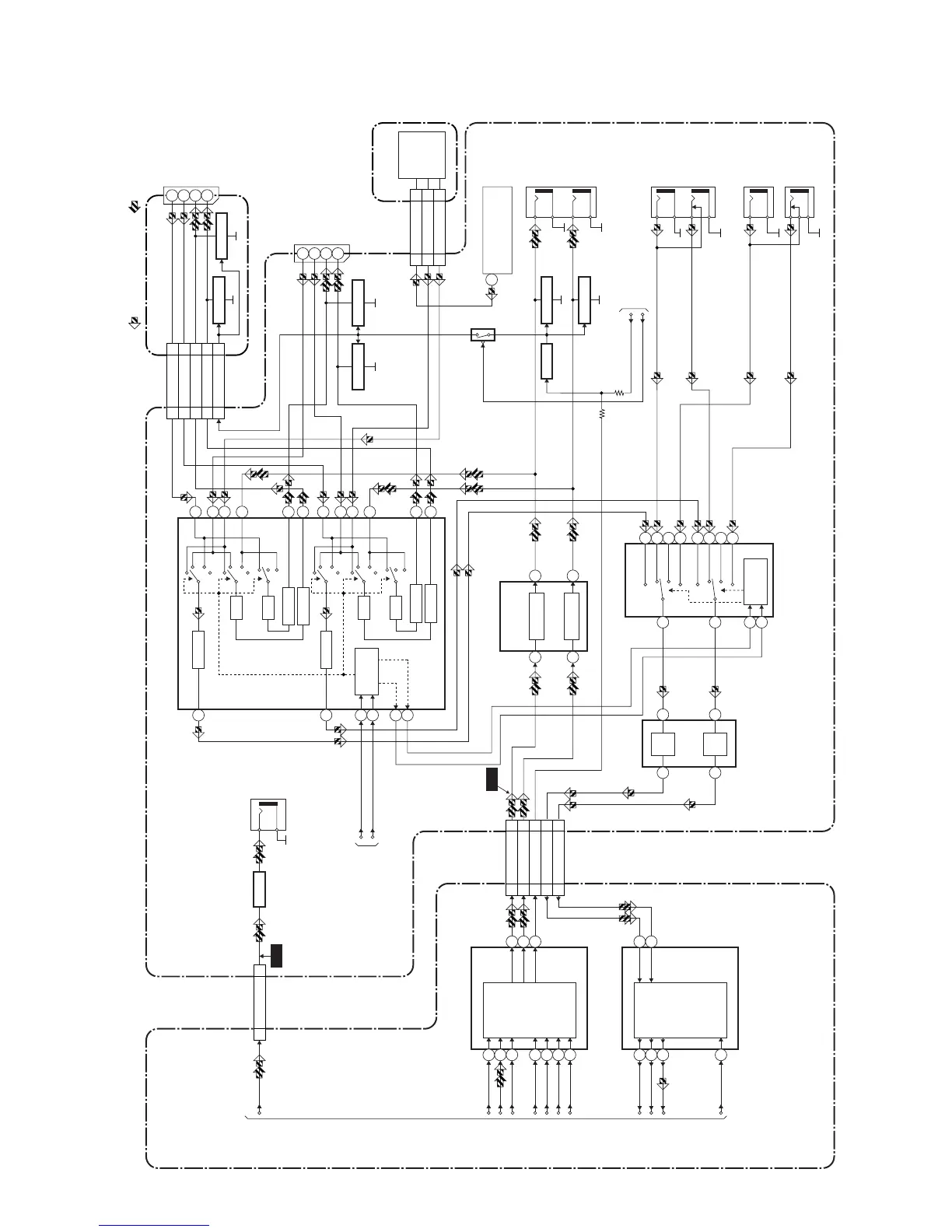
Audio Block Diagram
IC901
(AUDIO D/A CONVERTER)
DIGITAL
AUDIO OUT
(COAX1AL)
AUDIO-MUTE
RGB-THROUGH
JK1209
JK1210
BUFFER
Q1247
Q1245
Q1244
Q1255
AUDIO(L)
-OUT
AV CBADVD MAIN CBA
AUDIO(R)
-OUT
JK1202
AUDIO(L)
-IN4
AUDIO(R)
-IN4
JK1203
JK1204
AUDIO(L)
-IN3
AUDIO(R)
-IN3
SIF OUT
11SPDIF
17 17
AUDIO(L)-OUT
15 15
AUDIO(R)-OUT
19 19
DVD-AUDIO-MUTE
13 13
AUDIO(L)-IN
11 11
AUDIO(R)-IN
44
TU-AUDIO(R)
2
2
AUDIO-MUTE
22
SIF
55
TU-AUDIO(L)
33
AUDIO(L)-OUT2
66
AUDIO(L)-IN2
55
AUDIO(R)-IN2
11
AUDIO(R)-OUT2
(
OP AMP
)
IC1216
TO DIGITAL
SIGNAL
PROCESS
BLOCK
DIAGRAM
TU1201 (TUNER UNIT)
OP
AMP
AUDIO D/A
CONVERTER
OP
AMP
22
10
24
6
8
27
33
32
13
15
26
25
1
7
2
6
(AUDIO INPUT SELECT)
IC1208
3
13
4
2
5
11
1
12
15
14
MUTE-ONDRIVE
Q1256
MUTE-ON
9
10
7
6
8
15
14
16
4
3
5
IC902
(AUDIO A/D CONVERTER)
AUDIO A/D
CONVERTER
10
11
12
1
2
15
SPDIF
CN501
CN1203
CN601 CN1204
BCK
DATA
LRCK
MD
MC
SCK
2
ML
L-CH
R-CH
MUTE
BCK
DATA
LRCK
SYSCLK
R-CH
L-CH
IN3
IN4
(L-CH)
IN3
TU/IN1/2
TU/IN1/2
IN4
(R-CH)
SW CTL
(OP AMP)IC1222
OP AMP
OP AMP
2
6
1
7
TO SYSTEM
CONTROL
BLOCK DIAGRAM
REC AUDIO SIGNAL PB AUDIO SIGNAL
WF8
WF7
Q1257
MUTE-ON
Q1258
MUTE-ON
Q2002
MUTE-ON
Q2001
MUTE-ON
IF SIGNAL
PROCESS
AFV CBA
JACK CBA
CN1209
CN1210
CN2001
CN1
JK2001
AUDIO(R)-IN2
AUDIO(L)-OUT2
AUDIO(R)-OUT2
2
AUDIO(L)-IN26
1
3
JK1206
AUDIO(R)-IN1
AUDIO(L)-OUT1
AUDIO(R)-OUT1
2
AUDIO(L)-IN16
1
3
IC1219 (INPUT/OUTPUT SELECT)
AMP
AMP
BUFFER
DRIVER
DRIVER
16
20
12
14
23
22
21
AMP
AMP
BUFFER
LOGIC
CONTROL
DRIVER
DRIVER
SCL
TO SYSTEM CONTROL
BLOCK DIAGRAM
SDA

Related product manuals