EasyManua.ls Logo

FUNAI DR-D2831 - Page 25

FUNAI DR-D2831
67 pages
Print Icon
To Next Page IconTo Next Page
To Next Page IconTo Next Page
To Previous Page IconTo Previous Page
To Previous Page IconTo Previous Page
Loading...
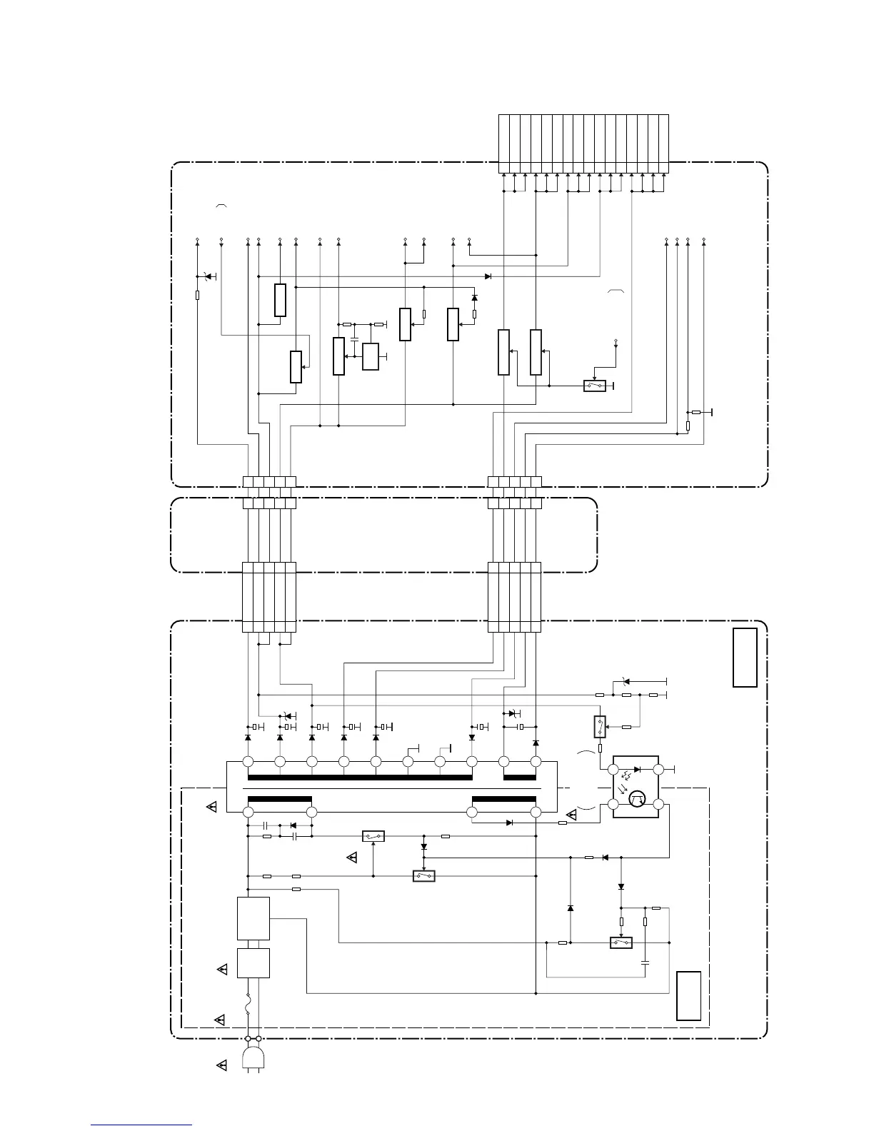
1-9-6
Power Supply Block Diagram
E68C9BLP
CAUTION !
Fixed voltage (or Auto voltage selectable) power supply circuit is used in this unit.
If Main Fuse (F1001) is blown , check to see that all components in the power supply
circuit are not defective before you connect the AC plug to the AC power supply.
Otherwise it may cause some components in the power supply circuit to fail.
NOTE:
The voltage for parts in hot circuit is measured using
hot GND as a common terminal.
CAUTION !
For continued protection against fire hazard,
replace only with the same type fuse.
AC1001
F1001
T1.6A L 250V
LINE
FILTER
L1004
D1001 - D1004
BRIDGE
RECTIFIER
3
5
Q1003
Q1002
Q1001
Q1101
7
8
1
23
4
IC1001
ERROR
VOLTAGE DET
T1001
MAIN CBA
POWER SUPPLY CBA
HOT CIRCUIT. BE CAREFUL.
11
12
13
14
15
16
17
18
19
20
21 P-ON+2.5V
22 P-ON+2.5V
25 P-ON+3.3V
26 P-ON+3.3V
27 P-ON+3.3V
11 P-ON+5V
4 EV+10.5V
5 EV+10.5V
14 EV+2.4V
EV+3.3V
PWSW
EV+32V
AL-30V
AL+12V
P-ON+5V
P-ON+12V
EV+5V
Q1215,Q1217
SW+12V
Q1221
SW+3.3V
F2
F1
CN1103 CN1105 CN1201
5 AL+44V
5
4 FAN-AL+12V
4
2 AL+5V
2
CN1102 CN1104
3 AL-30V
7 EV+3V
1
3
7
1F1
IC1213
+3.3V REG.
IC1212
+2.5V REG.
JUNCTION
CBA
CN1106
13
12
11
10
9
13
12
11
10
9
P-ON+3.3V
P-ON+5V
Q1214
CN1203
SW+5V
Q1218
SW+5V
HOT
COLD
5 AL+4V 5
2F2 2
3 AL+12V
3
1 AL+5V
1
TO
SYSTEM
CONTROL
BLOCK
DIAGRAM
Q1228
SW+10V P-ON+10V
REG.
IC1211
20 P-ON+2.5V
6 EV+10.5V
12 P-ON+5V
13 P-ON+5V
15 EV+2.4V
16 EV+2.4V
17 EV+2.4V
1 1
2 2
3 3
5 5
7 7
CN1201
CN1106
EV-5V
TO DVD MAIN
CBA CN501
FAN-AL+12V
VIDEO+5V
Q1213
REG-CONT
TO SYSTEM CONTROL
BLOCK DIAGRAM

Related product manuals