EasyManua.ls Logo

FUNAI LT6-M32BB - Audio and Digital Signal Process Block Diagrams

FUNAI LT6-M32BB
69 pages
Print Icon
To Next Page IconTo Next Page
To Next Page IconTo Next Page
To Previous Page IconTo Previous Page
To Previous Page IconTo Previous Page
Loading...
7-3
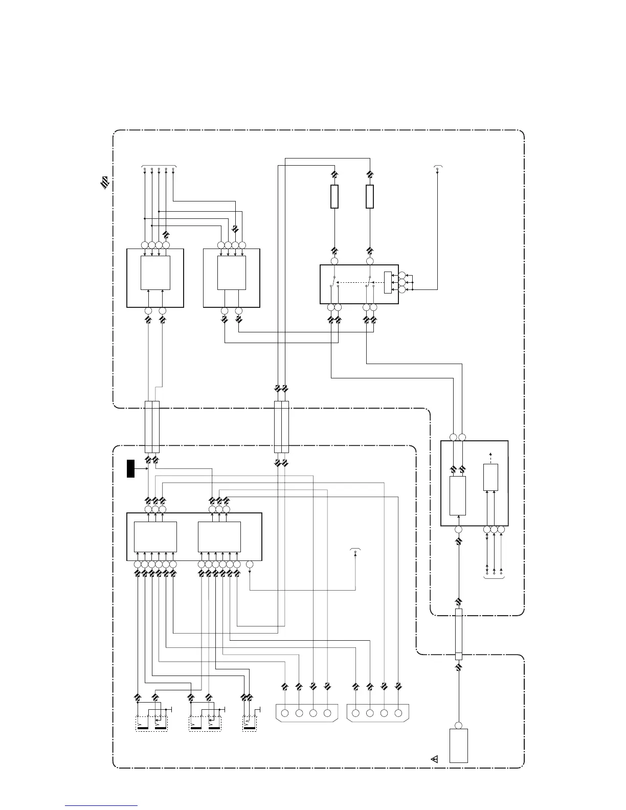
Audio-1 Block Diagram
A8CF0BLA1
AUDIO SIGNAL
CN3704CN103A
AUDIO(L)321
AUDIO(R)420
CN4503CN102A
TU-AUDIO(L)10 16
TU-AUDIO(R)11 15
PC-AUDIO-IN
JK205
COMPONENT
AUDIO(L)
-IN1
COMPONENT
AUDIO(R)
-IN1
JK206
IC200
(AUDIO SELECTOR)
AUDIO(L)
-IN1
AUDIO(R)
-IN1
JK204
93
85
99
98
81
79
94
86
82
80
AUDIO
SELECTOR
(L-CH)
AUDIO
SELECTOR
(R-CH)
AMP-CTRL
75
76
77
78
97
96
1
100
JK302
1
3
RGB-AUDIO(L)
-OUT1
RGB-AUDIO(R)
-OUT1
6
RGB-AUDIO(L)
-IN1
2
RGB-AUDIO(R)
-IN1
JK301
1
3
RGB-AUDIO(L)
-OUT2
RGB-AUDIO(R)
-OUT2
6
RGB-AUDIO(L)
-IN2
2
RGB-AUDIO(R)
-IN2
62
TO AUDIO-2
BLOCK DIAGRAM
AMP-CTRL
POWER SUPPLY CBA
BCLK
LRCLK
ACLK
AUX-ADATA
IC3825
(AUDIO A/D CONVERTER)
A/D
CONVERTER
1
2
11
10
15
12
TO
DIGITAL
SIGNAL
PROCESS
BLOCK
DIAGRAM
DIGITAL MAIN CBA UNIT
SIF-OUT
TU501
(TUNER UNIT)
6
SCL
SDA
AUDIO SIGNAL
PROCESS
I2C BUS
I/F
(L-CH)
(R-CH)
3
19
18
IC3821 (SOUND PROCESSOR)
TO SYSTEM
CONTROL
BLOCK
DIAGRAM
NICAM-RESET
21
RESET
24
22
IC3823
(INPUT SELECT)
SW CTL
13
12
15
109 11
1
2
14
IC3822
(AUDIO D/A CONVERTER)
D/A
CONVERTER
(L-CH)
(R-CH)
15
14
5
6
8
7
(L-CH)
(R-CH)
Q3831
BUFFER
Q3832
BUFFER
INPUT2
CN3704CN103A
SIF915
A DATA 1
TO SYSTEM
CONTROL
BLOCK
DIAGRAM
WF10

Table of Contents

Related product manuals