EasyManua.ls Logo

FUNAI LT6-M32BB - Power Supply Block Diagram

FUNAI LT6-M32BB
69 pages
Print Icon
To Next Page IconTo Next Page
To Next Page IconTo Next Page
To Previous Page IconTo Previous Page
To Previous Page IconTo Previous Page
Loading...
7-7
A8CF0BLP
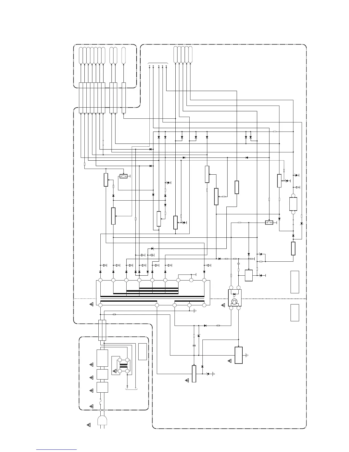
Power Supply Block Diagram
HOT
HOT
COLD
POWER SUPPLY CBA
INVERTER CBA
HOT CIRCUIT. BE CAREFUL.
Q401
SWITCHING
CONTROL
14
3 2
IC603
T400
CLN400
TO
INVERTER
BLOCK
DIAGRAM
CN1901
3
HOT-GND 2
ACL 1
3
1
LINE
FILTER
L1901
AC1901
AC CORD
LINE
FILTER
L1902
BRIDGE
RECTIFIER
D1901 - D1904
5
11
14
12
17
18
13
16
15
19
9
7
8
FEED
BACK
Q400
SWITCHING
Q631
Q632,Q634
SWITCHING
Q646
SW-6.8V
Q600
Q645,D648
SW+13V
Q650
IC637
+3.3V
REG.
23
JS651
Q633
Q639,Q671
JS652
Q637
SW+5V
Q602
SW+9V
Q638,D634
SW+3.3V
P-ON-H1
TO SYSTEM
CONTROL
BLOCK
DIAGRAM
P-ON-H2
RESET
+5V REG.
PROTECT2
PROTECT1
SWITCHING
+35V
P-ON+5V
AL+3.3V
AL+13V
P-ON+9V
RESET
Q601
F1901
T4A H 250V
2
11
5
8
T1902
ACL
HOT-GND
CN104A CN3601
CN101A CN3701
CN102A CN4503
LCD+24.5V8
18
AL+3.3V3
23
P-ON+5V1,2
24,25
LCD+3.3V12
14
P-ON+9V14
12
LCD-6.8V10
16
LCD+13V5-7
19-21
P-ON+3.3V
15-17
9-11
+3.5V
22-24
2-4
+3.0V
18,19
7,8
LCD+24.5V
LCD-6.8V
LCD+13V
P-ON+3.3V
+3.5V
+3.0V
LCD+3.3V
AL+3.3V
P-ON+5V
P-ON+9V
DIGITAL MAIN CBA UNIT
NOTE:
The voltage for parts in hot circuit is measured using
hot GND as a common terminal.
CAUTION !
For continued protection against fire hazard,
replace only with the same type fuse.
CAUTION !
Fixed voltage (or Auto voltage selectable) power supply circuit is used in this unit.
If Main Fuse (F1901) is blown , check to see that all components in the power supply
circuit are not defective before you connect the AC plug to the AC power supply.
Otherwise it may cause some components in the power supply circuit to fail.

Table of Contents

Related product manuals