EasyManua.ls Logo

FUNAI LT6-M32BB - Inverter and Power Supply Block Diagrams

FUNAI LT6-M32BB
69 pages
Print Icon
To Next Page IconTo Next Page
To Next Page IconTo Next Page
To Previous Page IconTo Previous Page
To Previous Page IconTo Previous Page
Loading...
7-6
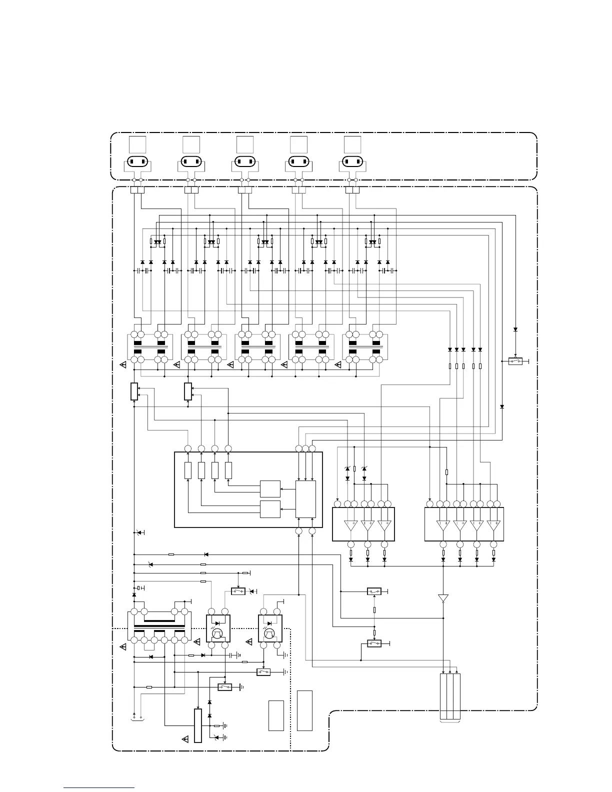
A8CF0BLINV
Inverter Block Diagram
BACK
LIGHT
1
2
1
2
1
2
1
2
1
2
INVERTER CBA
LCD MODULE
ASSEMBLY
CN1050
CN1100
CN1150
CN1200
CN1250
IS
VS
OVP
CN1000
PROTECT31
BACKLIGHT-ADJ
3
BACKLIGHT-SW
2
IC1500 (COMPARATOR)
IC1550 (COMPARATOR)
Q1020
2
1
3
13
12
6
5
14
7
IC1001
(INVERTER CONTROL)
2
1
3
13
12
6
5
14
7
9
10
8
TO SYSTEM
CONTROL
BLOCK
DIAGRAM
(CN804)
VCC
VCC
4
4
Q1002
T1050
Q1100,
Q1101
Q1102,
Q1103
3
1
4
7
8
6
5
2
T1100
3
1
4
7
8
6
5
2
T1150
3
1
4
7
8
6
5
2
T1200
T1951
TO
POWER
SUPPLY
BLOCK
DIAGRAM
ACL
HOT-GND
3
1
4
7
8
6
5
2
T1250
3
1
4
7
8
6
5
2
DRIVE
DRIVE
DRIVE
INVERTER
CONTROL
10
11
14
15
2
3
4
5
7
8
4
5
23
2
14
3 2
Q1970
Q1971
IC1930
14
3 2
IC1931
Q1931
13
11
19
DRIVE
LOGICLOGIC
DRIVE
DRIVE
BACK
LIGHT
BACK
LIGHT
BACK
LIGHT
BACK
LIGHT
HOT
COLD
HOT CIRCUIT. BE CAREFUL.
12
16
Q1972
SWITCHING
Q1930
Q1932
NOTE:
The voltage for parts in hot circuit is measured using
hot GND as a common terminal.

Table of Contents

Related product manuals