EasyManua.ls Logo

Furuno FE-700 - 1.4 Transmission Circuit

Furuno FE-700
58 pages
Print Icon
To Next Page IconTo Next Page
To Next Page IconTo Next Page
To Previous Page IconTo Previous Page
To Previous Page IconTo Previous Page
Loading...
7
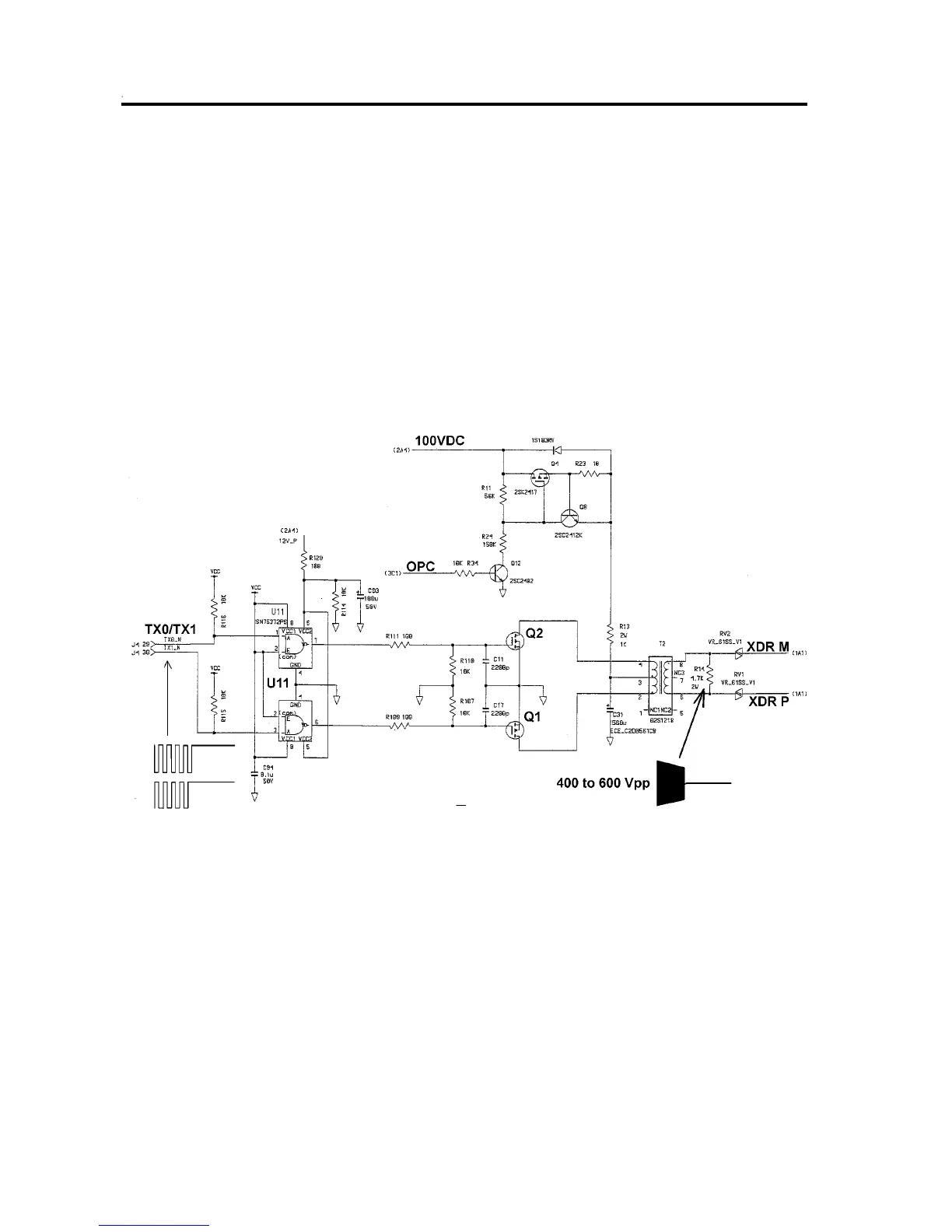
1.4 TRANSMISSION CIRCUIT
The transmission amplifier circuit is commonly used for both frequencies, 50/200 kHz.
The transmission frequency is set on the System Menu 3. Transmission carrier signal
"TX0/TX1" are generated by Gate Array U10 on the MAIN board 02P6280 and supplied to the
TX driver circuit. Figure 1.6 shows the transmission amplifier circuit.
Figure 1.6 Transmission Circuit on the ANLG Board
1.4 TRANSMISSION CIRCUIT

Other manuals for Furuno FE-700

Related product manuals