EasyManua.ls Logo

Furuno FS-1570 - Power Supply Unit; General

Furuno FS-1570
322 pages
Print Icon
To Next Page IconTo Next Page
To Next Page IconTo Next Page
To Previous Page IconTo Previous Page
To Previous Page IconTo Previous Page
Loading...
5.2 Power supply unit
5-9
5.2 Power supply unit
5.2.1 General
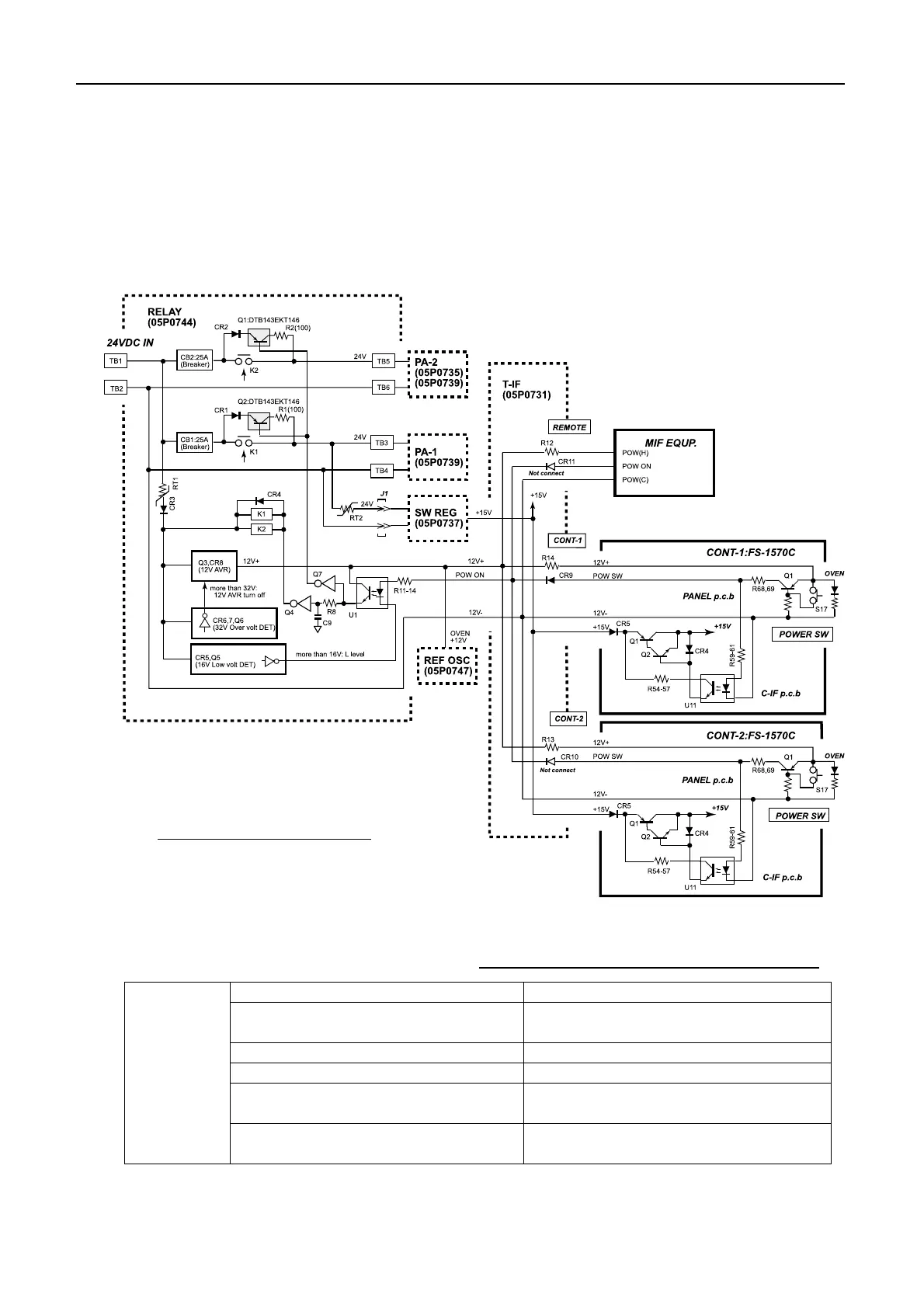
Fig.5.2.1 shows power supply lines in the system.
Table 5.2.1 summaries protectors provided on RELAY board.
Lowvoltage protector CR5 and Q6 which control U1.
Overvoltage protector
CR6, CR7 and Q6 which control +12 V
AVR consisting of Q3 and CR8.
PA1 over current protector 25 A breaker (CB1)
PA2 over current protector 25 A breaker (CB2)
SW REG board protector (05P0737)
Polyswitch (RT2), REU900
(Ih=9 A/It=18 A)
RELAY
board
(05P0744)
+12 V AVR protector
Polyswitch (RT1), REU135
(Ih=1.35 A/It=2.7 A)
Fig.5.2.1 Power supply lines
Table 5.2.1 Protectors in power supply circuit
When two FS-2570Cs are used, only the unit which is
connected to [CONT-1] port can turn on and off the system.
No.1 controller unit should be installed in W/H.

Table of Contents

Other manuals for Furuno FS-1570

Related product manuals