EasyManua.ls Logo

G-Tec LibraPro - External Temperature Sensor Connection Guide

G-Tec LibraPro
57 pages
Print Icon
To Next Page IconTo Next Page
To Next Page IconTo Next Page
To Previous Page IconTo Previous Page
To Previous Page IconTo Previous Page
Loading...
0MNLIBRAPROK10NPENUA 01 Pag. 23 / 57
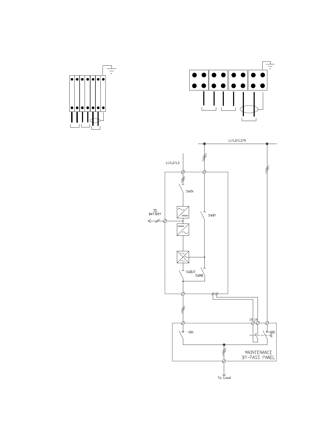
3.4.10 SWOUT and SWMB aux - External temperature sensor(optional).
A = connection to external output UPS switch
auxiliary;
B = connection to external bypass UPS switch
auxiliary ;
T = external temperature sensor connection.
SWOUT and SWMB aux
Terminals to be used for the connection of the
auxiliary contacts of switches inserted in the
LIBRAPRO system, see also the section on
“Insertion of additional system sectioning
devices” on page 38.
Inserting additional disconnectors to
supplement those already in the UPS means
that the whole equipment can be replaced
without interrupting the power supply to the
load.
- Q01 additional output disconnector, Q02
additional disconnector of the external
maintenance by-pass.
The auxiliary contacts Q02 must be connected
to terminals B.
Contact Q02 must be in the opposite position
(auxiliary open with switch closed, vice versa
with switch open)
B
UPS
T
B
-10÷20kVA-
A
T
B
- 30 ÷ 80 kVA -
A

Table of Contents

Related product manuals