EasyManua.ls Logo

G-Tec LibraPro - LIBRAPRO Parallel Configuration Introduction; Benefits of Parallel UPS Operation

G-Tec LibraPro
57 pages
Print Icon
To Next Page IconTo Next Page
To Next Page IconTo Next Page
To Previous Page IconTo Previous Page
To Previous Page IconTo Previous Page
Loading...
Pag. 36 / 57 0MNLIBRAPROK10NPENUA 01
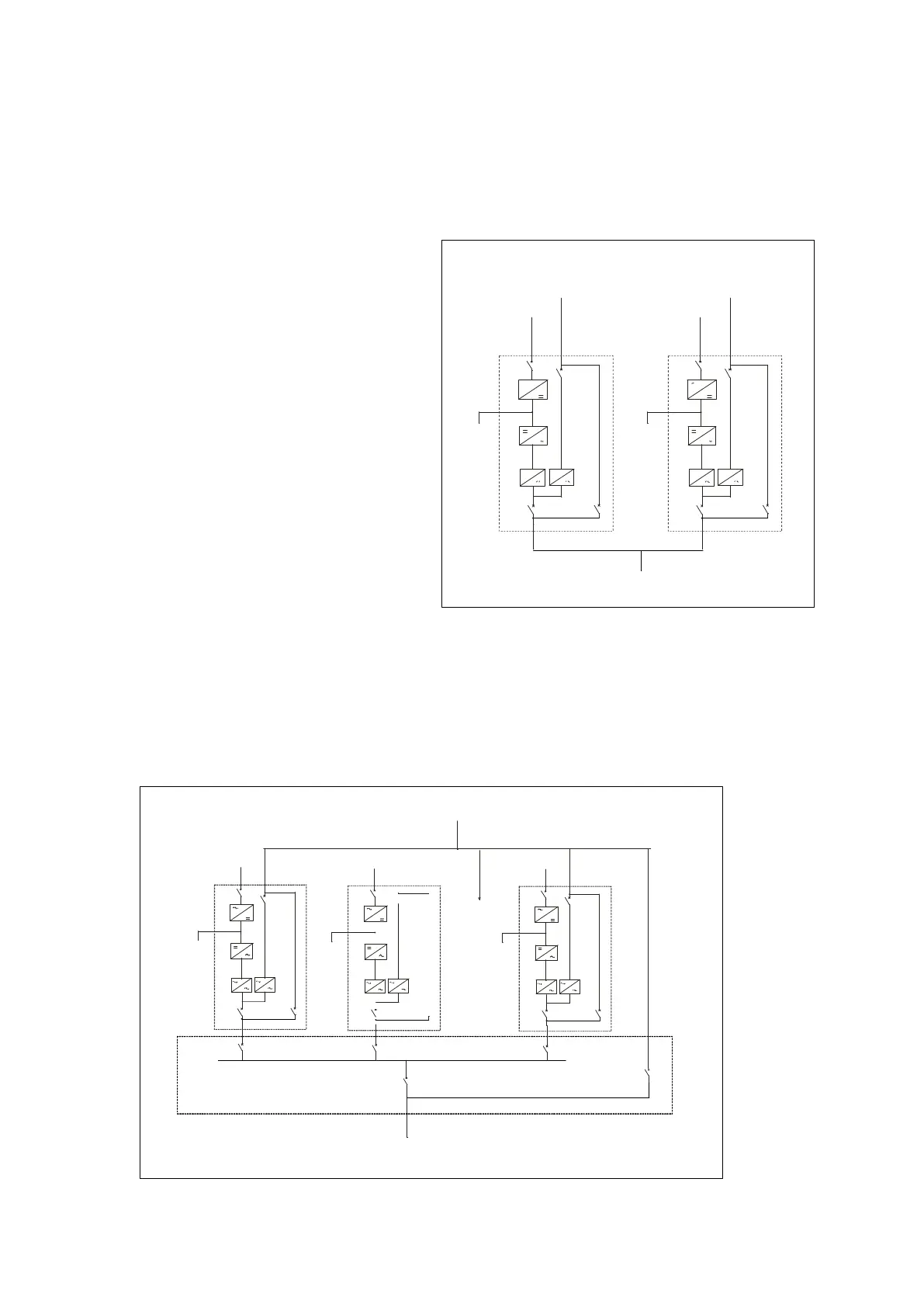
4. LIBRAPRO in parallel configuration
4.1 Introduction
This UPS may be connected in a parallel configuration to increase both the reliability of the power supply to the load
and the power available in output. Up to 8 UPSs can be parallel-connected. It is recommended to connect units of the
same power.
The load that can be applied to a system with several
units connected in parallel may be greater than the
load that can be supported by each individual unit,
thanks to automatic power sharing. The reliability is
only increased provided that the total power of the
system with one unit deactivated remains greater than
the required power. This condition can be achieved
by always adding a redundant unit.
Having a redundant unit means having one more UPS
than the minimum number of elements required to
power the load, so that if a faulty unit is automatically
excluded, power is still supplied correctly. The UPSs
connected in parallel are coordinated by a card which
ensures the interchange of information. The
information is exchanged between the UPSs via a
cable connecting them in a loop. The loop connection
provides redundancy in the connection cable
(communication in the cables between the individual
units). This is the most reliable means of connecting
the UPS and also allows the hot insertion or
disconnection of a UPS. Each UPS has its own controller that continuously communicates with the whole system so
as to guarantee the operation of the system. The cable transmits the signals from a “Master” UPS to the other
“Slaves” using an opto-isolated system in order to keep the control systems electrically isolated from each other. The
operating logic envisages that the first unit that is activated becomes the “Master” and takes control of the other
“Slaves”. In the event of a fault in the “Master” unit, control is immediately switched to a “Slave” which then
becomes the “Master”. The current system provides basic operation, each unit having its own battery. The system
may be personalized (by means of a code inserted on the display panel) with all the units connected to a single
battery.
Battery
by-pass
line
load
mains
mains
Battery
by-pass
line
by-pass line
By-pass cabinet (optional)
Load
UPS 1
UPS 2
UPS 3 ---UPS 8
mains
line
Battery
mains
line
mains
line
Battery
Battery

Table of Contents

Related product manuals