EasyManua.ls Logo

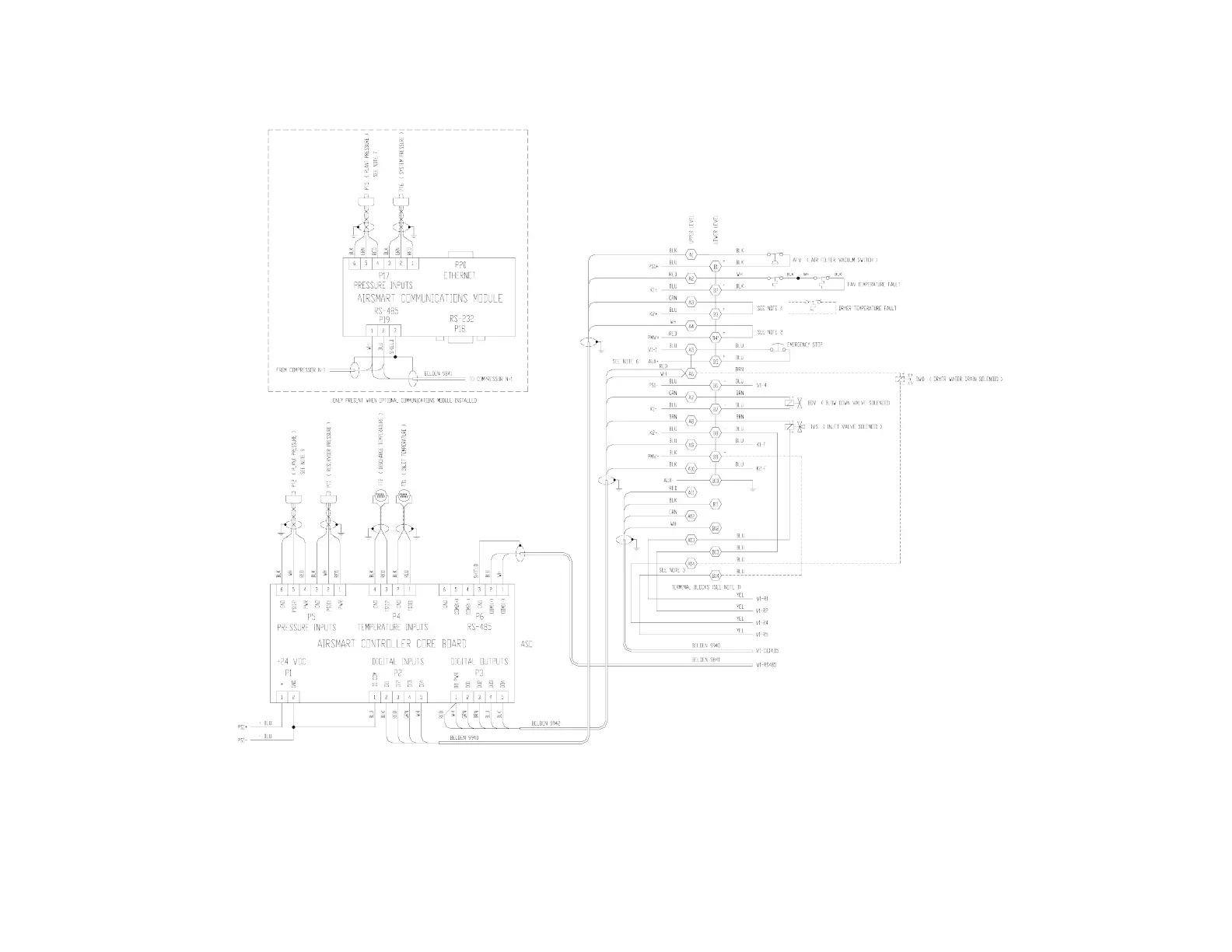
Gardner Denver VS45A - Figure 4-8 - Wiring Diagram - (Water-Cooled) Single-Stage VS Control

Gardner Denver VS45A
74 pages
Print Icon
To Next Page IconTo Next Page
To Next Page IconTo Next Page
To Previous Page IconTo Previous Page
To Previous Page IconTo Previous Page
Loading...
13-18-601 Page 36
Figure 4-8 – WIRING DIAGRAM – (WATER-COOLED) Single-Stage VS Control
301CGD810-E
(Ref. Drawing)
Page 2 of 4

Table of Contents

Related product manuals