EasyManua.ls Logo

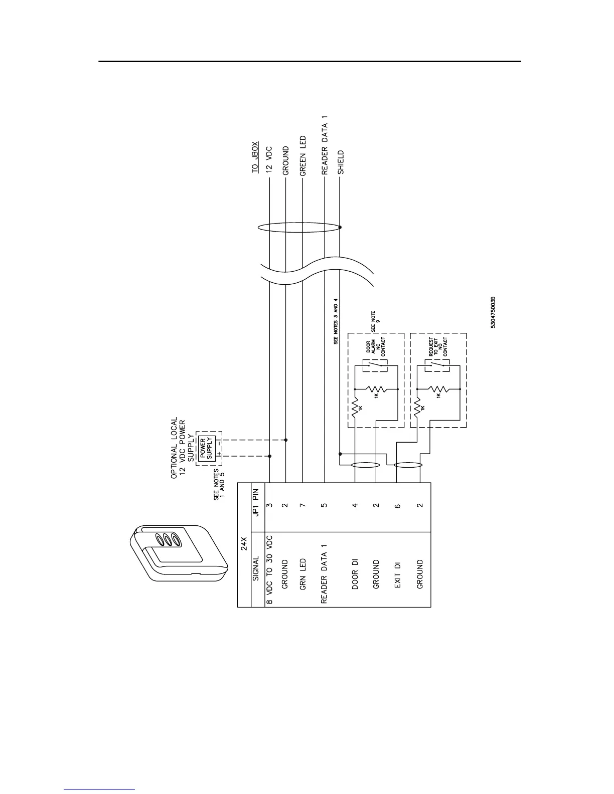
GE 240 - Figure 8: Model 24 X Smart Card Reader Wiring Diagram to J-Box

GE 240
33 pages
Print Icon
To Next Page IconTo Next Page
To Next Page IconTo Next Page
To Previous Page IconTo Previous Page
To Previous Page IconTo Previous Page
Loading...
GE Contactless Smart Card Reader Model 24x 13
FIGURE 8: Model 24x Smart Card Reader Wiring Diagram to J-Box

Related product manuals