EasyManua.ls Logo

GE AMX-II

GE AMX-II
223 pages
To Next Page IconTo Next Page
To Next Page IconTo Next Page
To Previous Page IconTo Previous Page
To Previous Page IconTo Previous Page
Loading...
GENERAL
ELECTRIC
MEDICAL
SYSTEMS
|
AMX-il
X-RAY
UNIT
1-1880
SM
A0654E
|
RT
TRES]
|
|
GENERAL
ELECTRIC
a-
0v0-1610£
|
|
2
|
3
|
4
5
|
W
6
7
8
9
|
ve
30191-D40
-
1
=
-
-
+
τ
cont
ом
SHEET
10
SHT
NQ
9
"OM
ONTAUUOÍ
1
UNLESS
OTHERWISE
SPECIFIED
USE
ΤΗΕ
FOLLOWING:
~
ку
A
TITLE
APPLIED
PRACTICES
T
A
SCHEMATIC
DIAGRAM
|
46-2C2600
|
|
|
30191-D40
TRIGGER
SNO
REGULATION
CIRCUITS
|
οπέι
το
|
du
|
CONT
ON
SHEET
10
SHY
NO.
9
FIRST
MADE
FOR
AMX-I:
ALL
ODELS
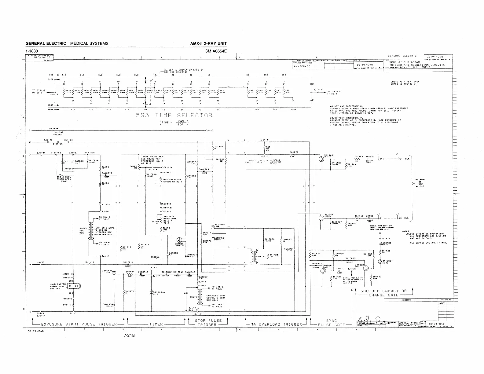
SLIDER
IS
DRIVEN
BY
KNOB
CF
„7583
MAS
SELECTOR
MAS
>
1.0
2.0
3.0
5.0
8.0
12,
20
32
18
80
155
250
ss38
4
>
レー
1
9
Y
8
7
6
S
4 2
1
UNITS
WITH
NEW
TIMER
i
AS
8
©
9
9
ο
o
2
BOARD
46-188482-61
|
a
-
4
A
a
e
|
ーー
i
i
4
5
341-17
TO
3TB1-21
SR21
SR20
5919
<
5818
00
R1S
SSR14
TREE
Sear
ese:
ог
529
C3RZ
<
SR?
<
586
SRS
2874
563
SR2
7Q
1781-20
|
AT
86,C
21K 49K
οκ
ATK
LOK
< <
20K
|
<
39.2K
<
39.2K
4.9K
127K
L
1878
127K
127K
LS
3J1-19
|
S
~
<
<
<
<
<
AT
86,0
|
1
À
т
i
|
Los
AA
--
| |
6
5
6
2
|
O
<
a-
13 12
11
J
6
5
4
3
1
|
_
553
>
.
|
|
ADJUSTMENT
PROCEDURE
8.
T
SONNECT
SCOPE
ACROSS
2TB1-1
AND
2TB1-3.
MAKE
EXPOSURES
MAS
1.5
2.5
4.0 6.0
10
16
24
46
6+
100
200
300
AT
60-KVP,
100-HAS.
ADJUST
3AIR7
FOR
+£0.01
SECOND
ーー
=
G 3 T
I
M
E S
=
| E
STA
R
TIME
INTERVAL
AS
SHOWN
IN
W37
|
D
ADJUSTMENT
PROCEDURE
9.
MAS
*
CONNECT
SCOPE
AS
IN
PROCEDURE
8.
MAKE
EXPOSURE
AT
|
(TIME
=
O]
60-ΚΝΡ,
1-MAS.
ADJUST
JAIRY
FOR
10
MILLISECONDS
|
_
ICO
/
+
1XTIME
INTERVAL.
トーーーー
1
3181-36
O
O3J1-3
IN-LINE
|
ς
SPLICE
344-23
341-31
8
B
344-11
|
2
+
+
O
3TB1-35
!
|
|
i
<
381950
>
3R7
Г.
;
i
<
7ος
=
i
<
25Y
344-29
2781-13
3J1-23
24V
2V
c
e
3A1R70
3
ο ο
+
0
*
WN
391068
JI
v3
-一
|
TIMER
ADJUSTMENT
941-13
|
2-гк
2N3414
SAIR62
SAIC6O
||
3
SEE
ADJUSTMENT
i
1
3A1RS7
<
i
+
AAA
4
41
21
BLK
3A1K13
paça
1
PROCEDURE
NO.
8 5
1
22%
>
3R1C71
3A1C74
an
SCRIO
EK
3300PF
ТИ
|
Е
145059
|
AT
92,8
371849
<
$
2.6.1
10
D
1429068
3A1CR66
100
|
<
'
4.7K
S
=
24V
z
261864
!
2k
<
3A1RS
JAR?
Se
ο
3TB1-21
|
-
>"
>
341-19
3A1CR48
+
+
SS38-13
At14B
|
SALCRIS
3n1CR10
|
3K3
EC.
14505?
14505?
TIMED
OPEN
г
HAS
SELECTOR
<
PRIMARY
t
SHOWN
AT
82,A
371
s-
166
L
SEE
a
B
D
E
F
8
H
1
J
K
L
N
N
49,C-E
pao
°
3J1-21
q?
E
5538-2
n
!
J
κ
|
м
м
.
3TB1-20
-一
3J6-4
3J1-17
|
391069
JI
TO
3J6-2
SEE
ADJ.
QS
e
261863
391061
|,
ーー
Lo,
BLK
AT
38.C
PROCEDURE
~
3300PF
VI"
トーーーー
30189?
NO.9
AT
|
3A1CR67
100v
|
1K
2.8
|
1N4149
361865
3AICRSS
rt
W
CeB
D
D
*
SIONAL
THAT SHUT
O
36673
TURN
ON
SIGNAL
36168
$)
+
CAPACITORS
ARE
CHARGED
TO
500
7
1700
^
i
FROM
3R6
SE
EE
eu
NOTES
INVERTER
SEE
35
50101!
UNLESS
OTHERWISE
SPECIFIED:
WAVEFORM
W35
ALL
RESISTORS
ARE
1/4W,5%
¥3AICRSS
_
PIO
1345059
3A1CRS4
3AIRSS
341-33
AND
ARE
IN
OHMS.
3A1R73
1NA14e
1K
|
TO
356-1
301020
2.2K
3AICR3S
ALL
CAPACITORS
ARE
IN
MFD.
AT
39.C
<361817
2N1671B
<
1N3060
<
3A1R19
a
E
E
ーー
<
22k
7
7
311652
.
|
0.05
JA1RI6
——
3A1C18
9
ton
381CR21
|
3A1R23
]
ο
σον
ο,
SRI
Re?
o
)
3J6-3
3A1C46
É
145039
3A1T22
©
100
2
“ok
3AICR25
Di
A1DS34
J4-35
341-15
JA1CR16
F F
2
1N3039
3A1DS
|
4
0
©
+4
;
4
+
+
SATCRZ6
3A1032
1N5059
3781
8
8
ss
291928
2N697
|
CR37
o
H
4
381631
341-29
qm
1
,
3181-40
SAN
Mm
JATRST
3a1CR43
|
JAICR42
SAICR44
3AICR4SS
0.001
~
è
pr
2.2K
145059
31-9
115059
{45039
INSOSP
la
-—
8TS1-4
22291547
391R24
SIGNAL
FROM
3J3-33
+=
°
:
OF
500
H2
INVERTER
ln
GRN
E3J1-5
DRIVER
SEN
HAND
SWITCH
W-
Fe
Г
X-RAY
PUSH
[|]
St
82
Y
36
TO
3J6-6
+
+ +
ーー
BUTTONS
|
AT
40,E
Å
SI
3A1R39
sarka.
Ç
44
SHUTOFF
CAPACITOR
1
BLK
IK
7
a3.c
W36
ς
azTs
CO
|
EXPOSURE
STOP
CHARGE
GATE
ーー
8TS1-S
SIGNALTO
2CR1
|
SEE
36.E
REVISIONS
PRINTS
TO
3TB1-11
SA1CR38
y
|
IG
TO
3J6-5
407
i
- -
356-3
АТ
40,0
|
|
3046-11
I I
5
(O
©
È
+
©
354-5 3J1-7
3J1-7
J
y
344-19
i
|
VAO,
|
|
|
STOP
PULSE
-SYNC
+
πα
a
т
~
;
EDICAL
SYSTEMS
ot]
+
_
EXPOSURE
START
PULSE
TRIGGER
—İ
TIMER
TRIGGER
—MA
OVERLOAD
TRIGGER
feet
Me
se
30191-040
PULSE
GATE—
LWAUKEE.
WI.
LOCATIOMICONI
ON
SHEET
10
sur
no.
9
30191-D40
a-
2
|
>
|
*
5
|
A
6
|
o
|
8
|
9
|
10
|
7-21B

Related product manuals