EasyManua.ls Logo

GE Marquette MAC 5000

GE Marquette MAC 5000
160 pages
To Next Page IconTo Next Page
To Next Page IconTo Next Page
To Previous Page IconTo Previous Page
To Previous Page IconTo Previous Page
Loading...
Revision B 7-13
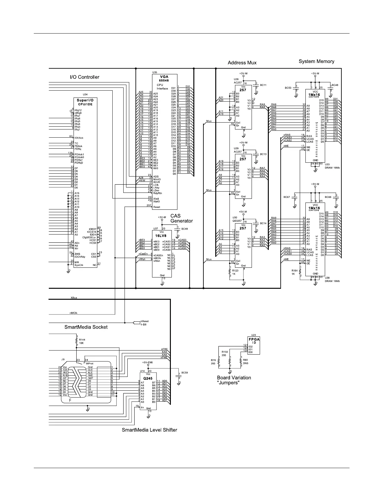
PCB Assemblies: SD801212-003A CPU
MAC 5000 ECG analysis system
2000657-002

Table of Contents

Related product manuals