EasyManua.ls Logo

GE P50 Agile P253 - 2.4.16 Group 1 Menu

GE P50 Agile P253
298 pages
Print Icon
To Next Page IconTo Next Page
To Next Page IconTo Next Page
To Previous Page IconTo Previous Page
To Previous Page IconTo Previous Page
Loading...
5 Configuration
P50 Agile P253
5-86
P253/EN M/C
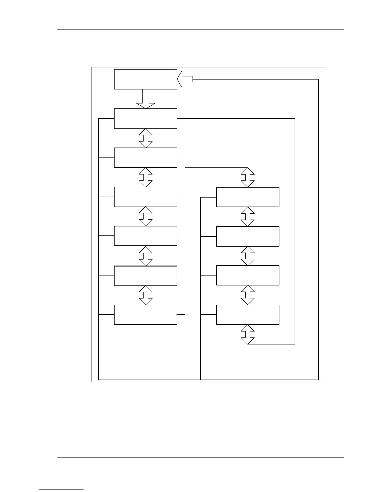
2.4.18 Group 1 Menu
2.4.18.1 View / Edit Settings
SYSTEM CONFIG
OVERCURRENT
NEG SEQ O/C
EARTH FAULT 1
EARTH FAULT 2
THERMAL OVERLOAD
LOSS OF LOAD
CB FAIL
STALL DETECTION
3 4 3 4
3 4 3 4 3 4
3 4
3 4 3 4
3 4
LIMIT NB STARTS
3 4
Note:
Only those Protection Function which are
enabled in CONFIGURATION setting are
seen in GROUP 1 Setting.
GROUP 1
3
6

Table of Contents

Related product manuals