EasyManua.ls Logo

GE P50 Agile P253 - Page 152

GE P50 Agile P253
298 pages
To Next Page IconTo Next Page
To Next Page IconTo Next Page
To Previous Page IconTo Previous Page
To Previous Page IconTo Previous Page
Loading...
5 Configuration
P50 Agile P253
5-112
P253/EN M/C
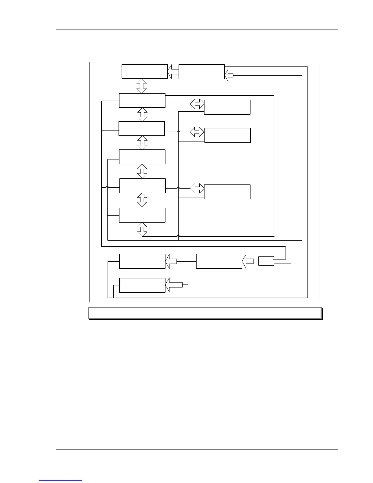
2.4.26.2 View / Edit Settings (If setting is enabled)
Hot Start Status
Enabled
Hot Start NB
2
Supervising Time
10 Mins
LIMIT NB STARTS
SET For Save
CLEAR For Cancel
4
SAVE Settings
SET
CLEAR
DISCARD Settings
EDIT
(*)
(*)
(*)
T.Betw.St.Status
Enabled
Time Betwe Start
20 Mins
3 4
Cold Strt Stat
Enabled
Cold Start NB
3
3 4
(*)
3 4
(*)
3 4
Inhib. Strt Time
10 Mins
(*)
3 4
3 4
3 4
3 4
(*)
(*)
4
GROUP 1
6 5
4
(*)
Note: (*) indicates EDIT key is used to modify settings. Refer to the View and Edit settings section.

Table of Contents

Related product manuals