EasyManua.ls Logo

GE PSH23SGNAFBS Series - Parts List

GE PSH23SGNAFBS Series
45 pages
To Next Page IconTo Next Page
To Next Page IconTo Next Page
To Previous Page IconTo Previous Page
To Previous Page IconTo Previous Page
Loading...
40
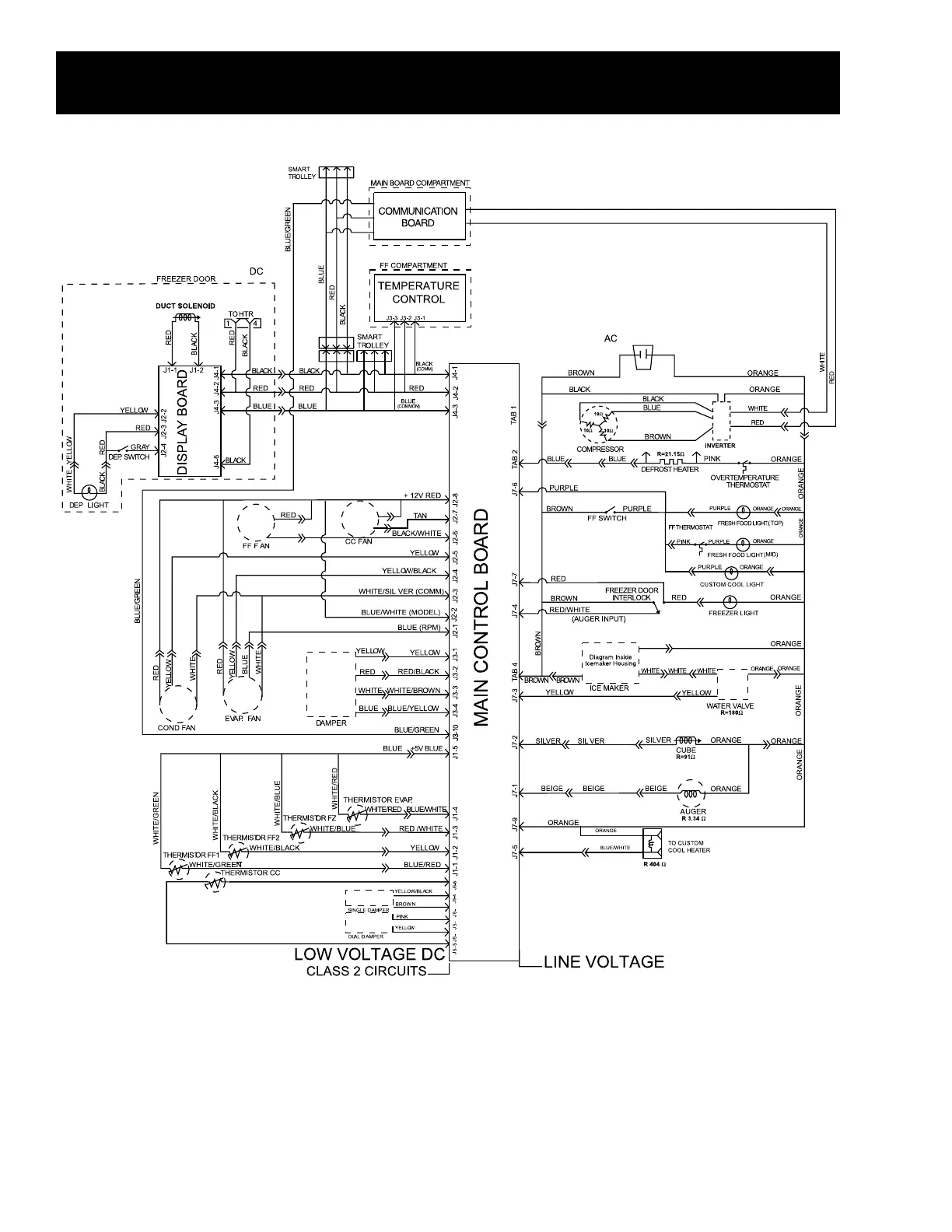
Schematic
2
1
3

Related product manuals