EasyManua.ls Logo

GE WHRE5550K - Electrical Schematic Diagram; Schematic Wiring Overview; Wire Color Code Chart

GE WHRE5550K
43 pages
To Next Page IconTo Next Page
To Next Page IconTo Next Page
To Previous Page IconTo Previous Page
To Previous Page IconTo Previous Page
Loading...
– 42 –
WARNING: Disconnect electrical power before servicing.
Caution: Label all wires prior to disconnection. Wiring errors can cause improper and dangerous operation.
Verify operation after servicing.
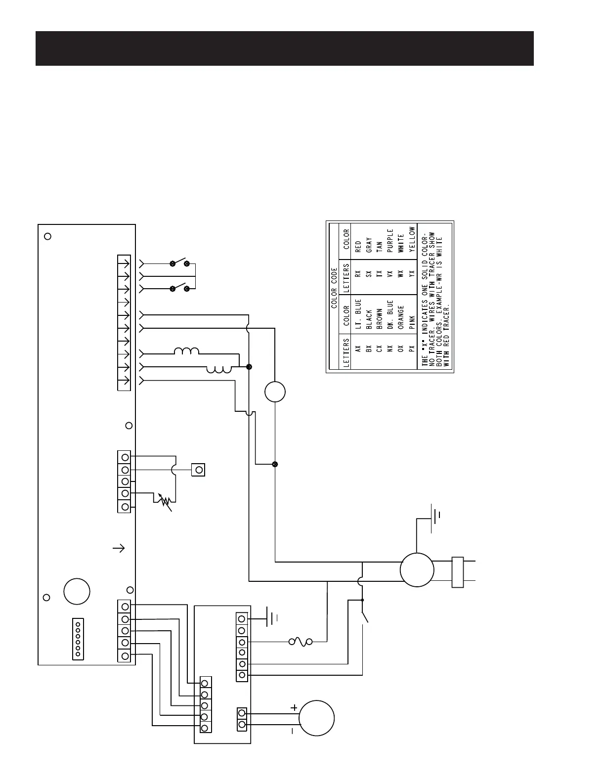
Schematic
Note: For suspected control problems, rst disconnect
and re-connect all circuit board connectors.
CONTROL CIRCUIT BOARD
SELECTOR
HARNESS
PLUG
START
FILTER
MODE
SHIFTER
INVERTER
WATER TEMP
SENSOR
47K 7 AT 77°
FUSE
HOT
COLD
LID
SWITCH
(AC)
WATER LEVEL
SWITCH -
LOWER LEVEL
WATER LEVEL
SWITCH -
UPPER LEVEL
PUMP
FERRITE BEAD
RX
NX
BX
VX
TX
WR
OX
CX
YR
M
RB
L1
WR
SX
RB
N
YX
BX
PX
WX
RB
VX
BX
WR
12
3
5
4
6
789
10
12
3
5
4
1
2
3
5
4
12
22
21
1
2
3
5
4
1
2
1
2
3
4
5
6
C 7C 2
C 4
LID
SWITCH
(DC)

Other manuals for GE WHRE5550K

Related product manuals