EasyManua.ls Logo

gefran ADV200 - Page 53

gefran ADV200
74 pages
Print Icon
To Next Page IconTo Next Page
To Next Page IconTo Next Page
To Previous Page IconTo Previous Page
To Previous Page IconTo Previous Page
Loading...
_____ _
User Guide Electrical Line Shaft for ADV200 Page 53 of 72
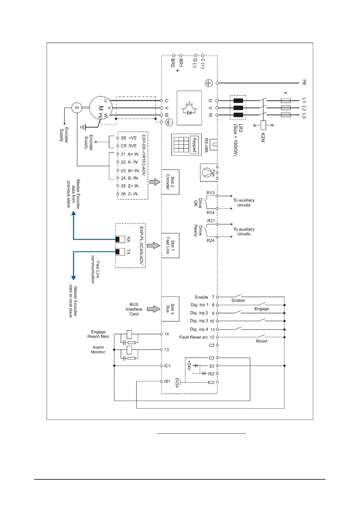
Figure 21. Fast Link Communication – Slave Module

Table of Contents

Other manuals for gefran ADV200

Related product manuals