EasyManua.ls Logo

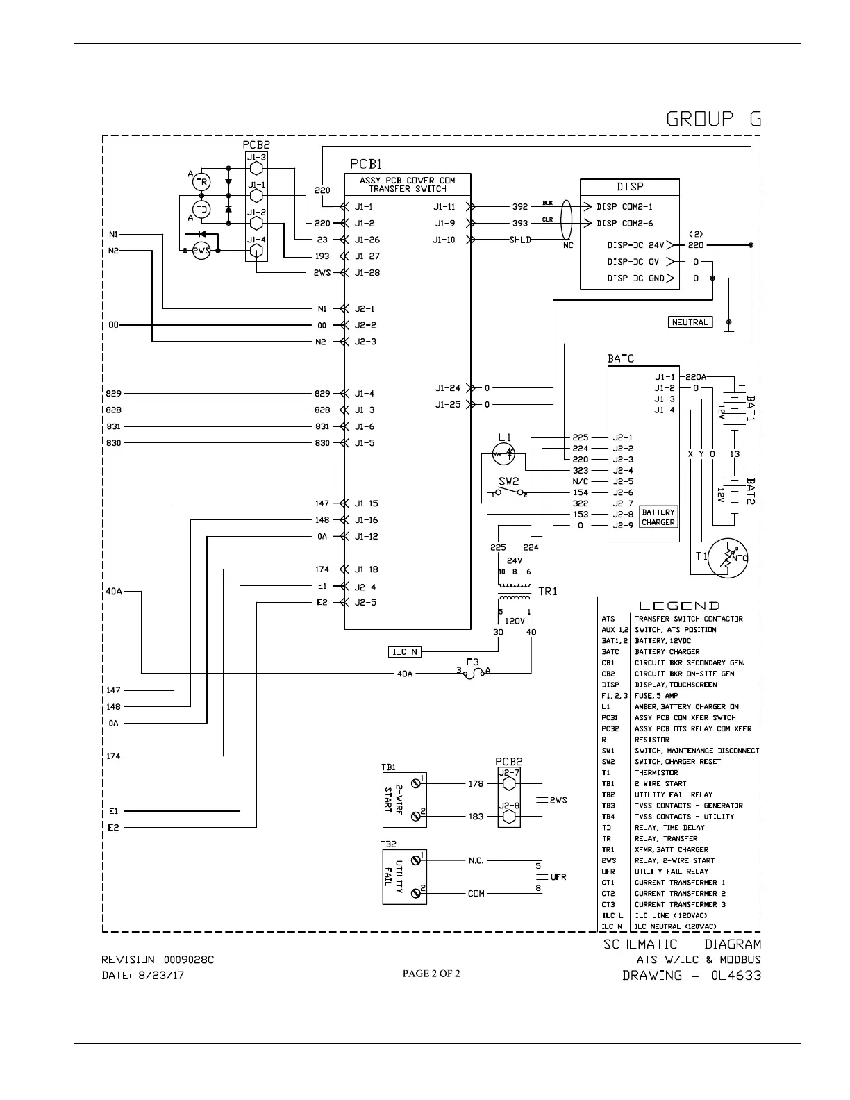
Generac Power Systems 004892 - Schematic Drawing (0 L4633-C, 2 of 2)

Generac Power Systems 004892
44 pages
Print Icon
To Next Page IconTo Next Page
To Next Page IconTo Next Page
To Previous Page IconTo Previous Page
To Previous Page IconTo Previous Page
Loading...
Drawings and Diagrams
Integrated Load Center Owner’s Manual 33
Schematic Drawing (0L4633-C, 2 of 2)

Table of Contents

Related product manuals