EasyManua.ls Logo

Generac Power Systems PowerPact G0065201 - Page 134

Generac Power Systems PowerPact G0065201
208 pages
To Next Page IconTo Next Page
To Next Page IconTo Next Page
To Previous Page IconTo Previous Page
To Previous Page IconTo Previous Page
Loading...
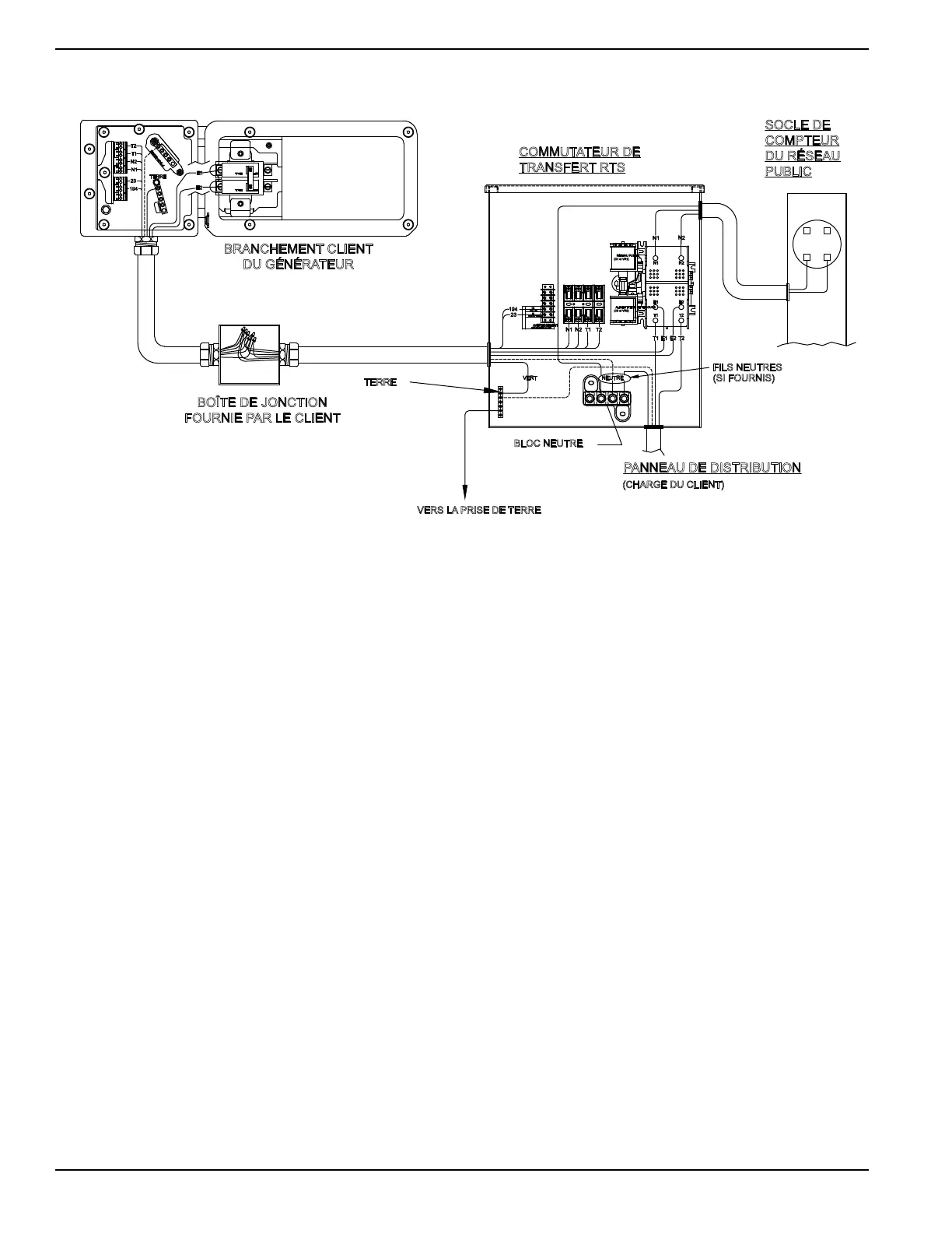
Branchements électriques
26 Directives d’installation des générateurs PowerPact
MC
de 50 H
Câblage c.a. principal
Figure 6-2. Câblage c.a. principal
REMARQUE :
Le câblage c.a. principal doit être
branché conformément aux lois et aux codes locaux.
1.
Dénudez les extrémités des câbles. Ne retirez pas
trop de gaine isolante.
2.
Ouvrez le panneau d’accès à l’automate de contrôle
et faites-le s’enclencher. Desserrez les cosses du
disjoncteur principal par les trous d’accès.
3.
Insérez un câble d’alimentation (E1 ou E2) dans la
cosse du bas du disjoncteur principal. Serrez selon
la spécification indiquée.
4.
Branchez le câble neutre à la barre neutre et serrez
comme il est requis. Voir
la
Figure 6-2
.
5.
Branchez le fil de mise à la terre à la barre de terre
et serrez comme il est requis. Voir
la
Figure 6-2
.
6.
Fermez les trous d’accès au disjoncteur avec les
capuchons protecteurs fournis (voir la section
Pièces expédiées détachées
).
7.
Déclenchez le panneau d’accès à l’automate de
contrôle en le tirant vers vous, puis fermez le
couvercle.
8.
Confirmez l’intégrité de la connexion du fil de mise
à la terre entre le panneau d’accès aux
composants électriques et la cosse de terre en
refermant la boîte de connexion du client à l’aide
de deux courtes vis creuses à six pans.
REMARQUE :
Liaison du neutre – certaines installations
nécessitent que le neutre soit lié à la terre. Cela
s’effectue par les bornes de connexions clients à
l’intérieur du générateur. Connectez la barre de neutre à
la barre de masse avec un fil de taille convenable. Ceci
est habituellement nécessaire lorsque le générateur est
la source dans un système dérivé séparément. Ce n’est
pas nécessaire lorsque le générateur constitue une
source d’appoint dans un système électrique du réseau
public avec un commutateur de transfert bipolaire. Voir la
Figure 6-1
.
REMARQUE :
Serrez toutes les cosses, les barres
omnibus et les points de connexion comme il est requis.
Les spécifications de serrage pour le disjoncteur de la
ligne principale se trouvent sur l’autocollant placé à
l’intérieur du panneau d’accès.
001130
COMMUTATEUR DE
TRANSFERT RTS
23
BLOC NEUTRE
PANNEAU DE DISTRIBUTION
NOTER LORIENTATION DU CÂBLE
AVERTISSEMENT
COMMUTATEUR
+12 V c.c.
194
(CHARGE DU CLIENT)
T1
N2
N1
23
194
E2
E1
TERRE
RÉSEAU PUBLIC
ALIMENTATION DE SECOURS
(C1 et VR1)
(C2 et VR2)
23
T1N1 N2 T2
194
T1
T1
E2
E1
T2
T2
E1
N1
E2
N2
N1
N2
TERRE
VERT NEUTRE
FILS NEUTRES
(SI FOURNIS)
T2
SOCLE DE
COMPTEUR
DU RÉSEAU
PUBLIC
VERS LA PRISE DE TERRE
BRANCHEMENT CLIENT
DU GÉNÉRATEUR
BOÎTE DE JONCTION
FOURNIE PAR LE CLIENT

Table of Contents

Related product manuals