EasyManua.ls Logo

Generac Power Systems PowerPact G0065201

Generac Power Systems PowerPact G0065201
208 pages
To Next Page IconTo Next Page
To Next Page IconTo Next Page
To Previous Page IconTo Previous Page
To Previous Page IconTo Previous Page
Loading...
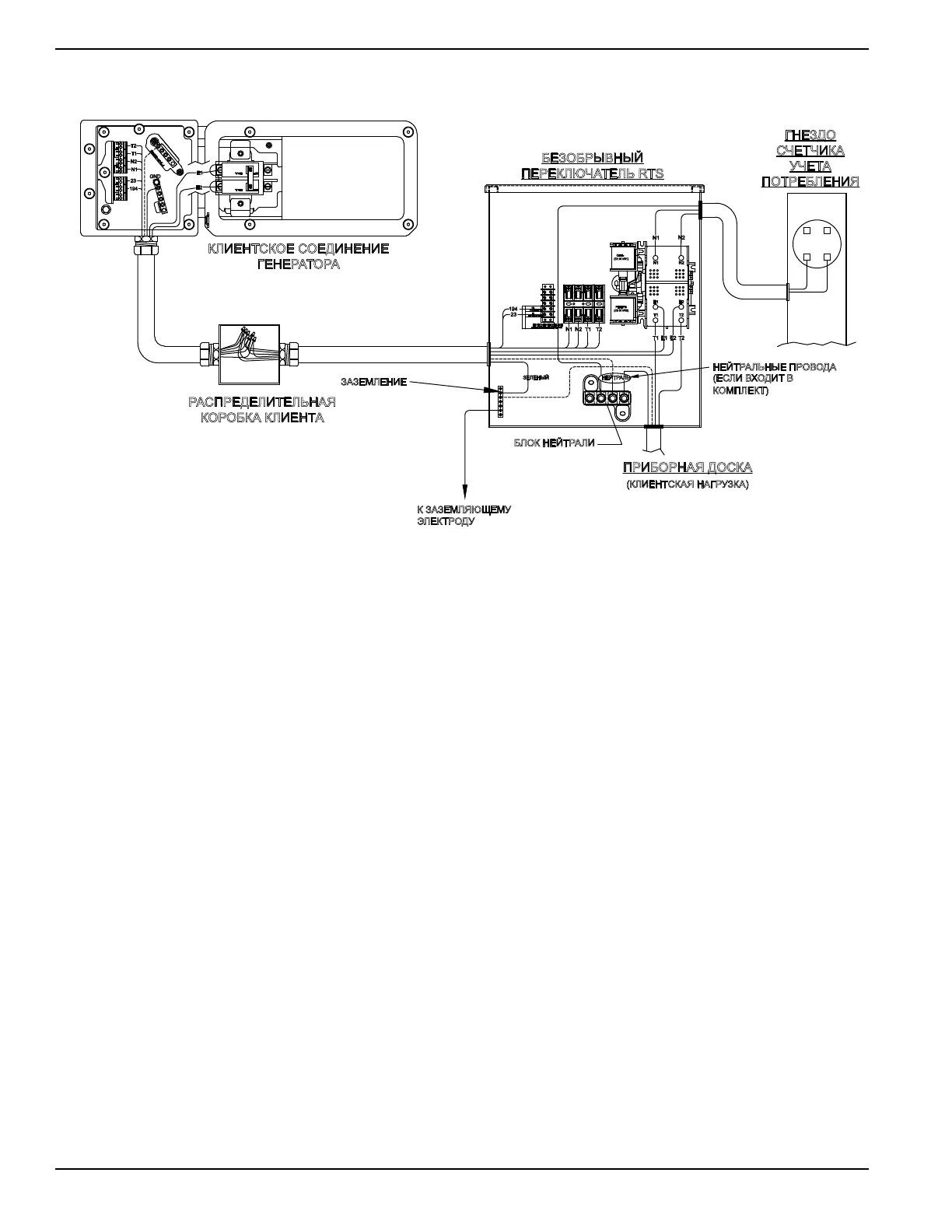
Электрические соединения
26 Руководство по установке системы PowerPact™ мощностью 50 Гц
Магистральные провода переменного тока
Рисунок 6-2. Магистральные провода переменного тока
ПРИМЕЧАНИЕ.
Магистральные провода
переменного тока должны соответствовать
требованиям местной юрисдикции и норм.
1.
Зачистите изоляцию на концах проводов. Не
зачищайте излишнее количество изоляции.
2.
Откройте панель доступа к контроллеру и
зафиксируйте ее. Ослабьте клеммы главного
выключателя через отверстия для доступа.
3.
Вставьте провод питания (E1 или E2) в нижнюю
клемму главного выключателя. Затяните с
усилием, указанным в технических
характеристиках.
4.
П
одсоедините нейтральный провод к шине
нейтрали и затяните с усилием, указанным в
технических характеристиках. См
.
Рисунок 6-2
.
5.
Подсоедините провод заземления к шине
заземления и затяните с усилием, указанным в
технических характеристиках. См
.
Рисунок 6-2
.
6.
Вставьте в отверстие для доступа к выключателю
входящие в комплект поставки колпачковые
заглушки (см. раздел
Детали, которые
поставляются незакрепленными
).
7.
Освободите панель доступа к контроллеру,
потянув ее на себя. Затем закройте крышку.
8.
Проверьте целостность соединения провода
заземления с панелью доступа к
электрооборудованию и клеммой заземления в
ходе закрытия коробки клиентских соединений
с использованием двух коротких винтов с
шестигранным шлицем.
ПРИМЕЧАНИЕ.
Заземление нейтрали при
необходимости в заземлении нейтрали это
необходимо сделать на клеммной колодке клиентских
соединений внутри генератора. Подключите
подходящий провод от шины нейтрали к
заземляющей шине. Это, как правило, необходимо,
когда генератор является источником в отдельной
вторичной системе. Это не нужно, когда генератор
является резервным источником в электрической
системе с электросетью с двухполюсным
безобрывным переключателем.
См.
Рисунок 6-1
.
ПРИМЕЧАНИЕ.
Затяните все клеммы проводов,
электрические шины и соединительные точки с
усилием, указанным в технических характеристиках.
Нормативные моменты затяжки для главного
выключателя см. на наклейке, расположенной на
внутренней поверхности панели доступа к
электрооборудованию.
001130
ȻȿɁɈȻɊɕȼɇɕɃ
ɉȿɊȿɄɅɘɑȺɌȿɅɖ576
23
ȻɅɈɄɇȿɃɌɊȺɅɂ
ɉɊɂȻɈɊɇȺəȾɈɋɄȺ
ɈȻɊȺɌɂɌȿȼɇɂɆȺɇɂȿɇȺɇȺɉɊȺȼɅȿɇɂȿɉɊɈȼɈȾȺ
ɉɊȿȾɍɉɊȿɀȾȿɇɂȿ
ɉȿɊȿɄɅɘɑȿɇɂȿ
ȼɩɨɫɬɬɨɤɚ
194
ɄɅɂȿɇɌɋɄȺəɇȺȽɊɍɁɄȺ
7
N2
N1
23
194
E2
E1
GND
ɋȿɌɖ
ɊȿɁȿɊȼ
&ɂ95
&ɂ95
23
7N1 N2 7
194
7
7
E2
E1
7
7
E1
N1
E2
N2
N1
N2
ɁȺɁȿɆɅȿɇɂȿ
ɁȿɅȿɇɕɃ ɇȿɃɌɊȺɅɖ
ɇȿɃɌɊȺɅɖɇɕȿɉɊɈȼɈȾȺ
ȿɋɅɂȼɏɈȾɂɌȼ
ɄɈɆɉɅȿɄɌ
7
ȽɇȿɁȾɈ
ɋɑȿɌɑɂɄȺ
ɍɑȿɌȺ
ɉɈɌɊȿȻɅȿɇɂə
ɄɁȺɁȿɆɅəɘɓȿɆɍ
ɗɅȿɄɌɊɈȾɍ
ɄɅɂȿɇɌɋɄɈȿɋɈȿȾɂɇȿɇɂȿ
ȽȿɇȿɊȺɌɈɊȺ
ɊȺɋɉɊȿȾȿɅɂɌȿɅɖɇȺə
ɄɈɊɈȻɄȺɄɅɂȿɇɌȺ

Table of Contents

Related product manuals