EasyManua.ls Logo

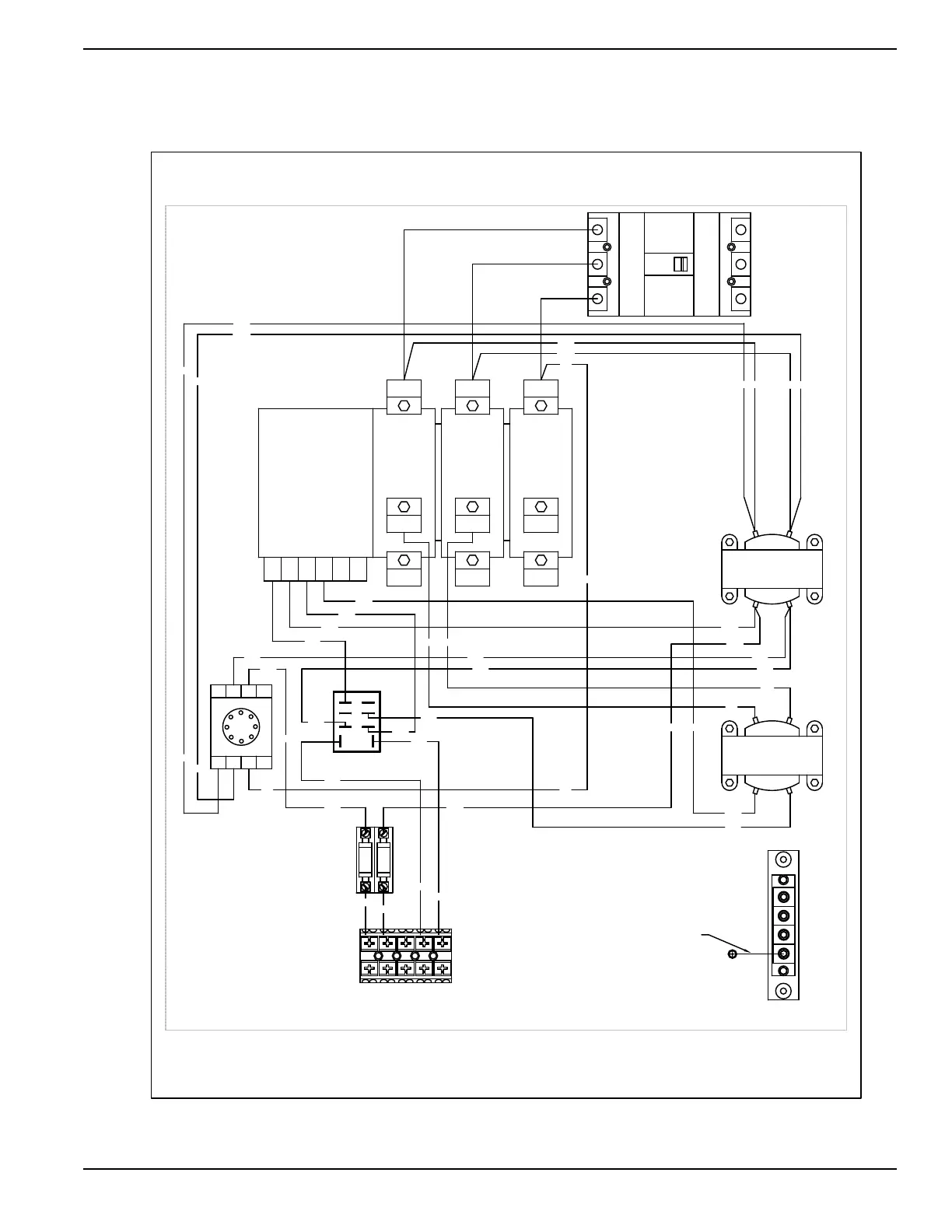
Generac Power Systems RTSW200G3 - Schematic Diagram; 100-200 A 480 VAC (Drawing 0 L2833, Sheet 2 of 2)

Generac Power Systems RTSW200G3
32 pages
Print Icon
To Next Page IconTo Next Page
To Next Page IconTo Next Page
To Previous Page IconTo Previous Page
To Previous Page IconTo Previous Page
Loading...
Drawings and Diagrams
Automatic Transfer Switch Owner’s Manual 21
Schematic Diagram
100-200A 480VAC (Drawing 0L2833, Sheet 2 of 2)
UTILITY 1
UTILITY 2
23
194
N3
E3
T3
N2B
23
N1C
4
N1A
N2A
3
N1C
N3
56
1
PM
2
N1C
87
N1B
TR
126
A1
B2
A2
B1
F2
N2
N1
F1
23
194
E1A
205
194
N2B
N2B
E2A
205
N1B
N1B
E1
T2
E2A
T1
T1
E1
E2
T2
E2
N1A
N2A
ATS
N2A
N1A
N1 N2
X4
H1
E1A
NB
N3
E2A
X1
H4
H1
X4
N1B
E1
N2B
N2B
N3
N1B
E2
X1
H4
N3
N1A
N2A
N1A
N2A
GND
N1B
NOTE:
BONDING JUMPER
IS REMOVEABLE
UCB
TR2
TR1
M
8
X2
5
P
E
M S
T
U
D
0
E
7
5
0
8
-
T
8
7
43
56
12
GROUP G
WIRING - DIAGRAM
100-400 AMP 480VAC
DRAWING #: 0L2833
REVISION: "A"
DATE: 08/25/15
001264

Table of Contents

Related product manuals