EasyManua.ls Logo

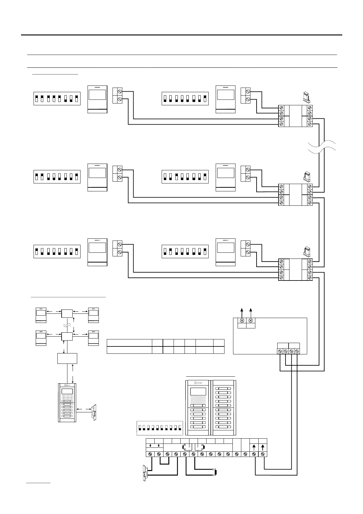
golmar Nexa Modular G2+ - WIRING DIAGRAMS; Video door entry system with 32 ART 4;G2+ or ART 4 LITE;G2+ monitors, 16 D2 L-G2+ distributors and Golmar d.c lock release.

golmar Nexa Modular G2+
60 pages
Print Icon
To Next Page IconTo Next Page
To Next Page IconTo Next Page
To Previous Page IconTo Previous Page
To Previous Page IconTo Previous Page
Loading...
Video door with 3 16 2 G tors and
d.c lock release
entry system 2 ART 4/G2+ or ART 4 LITE/G2+ monitors, D L- 2+ distribu Golmar
.
37
BUS
BUS
BUS BUS
D2
D1
BUS
BUS
BUS BUS
D2
D1
D2L- +G2
BUS
BUS
BUS BUS
D2
D1
AP
(1)
(1)
BUS BUS
ON
1 2 3 4 5 6 7
8
(2)
**
( )
BUS BUS
ON
1 2 3 4 5 6 7
8
(2)
**
( )
ART 4/G2+
Master
BUS BUS
APARTMENT 4
ON
1 2 3 4 5 6 7
8
(2)
**
( )
ART 4/G2+
Master
BUS BUS
APARTMENT 3
ON
1 2 3 4 5 6 7
8
(2)
**
( )
ART 4/G2+
Master
BUS BUS
APARTMENT 2
ON
1 2 3 4 5 6 7
8
(2)
**
( )
ART 4/G2+
Master
BUS BUS
APARTMENT 1
ON
1 2 3 4 5 6 7
8
(2)
**
( )
D2L- +G2
ON
End of
l nei
OFF
End of
l nei
*
( )
OFF
NA2
+
AP-
C1
NA1
AP+
C2
AP+
GND
BUSBUS
Relé 2
Relé 1
_
12Vdc
NC2
CCTV
Distances and cross-sections:
D -G22L +
A
D
B
D
E
ART 4/G2+
FA-G2+
ART 4/G2+
D D
ART 4/G2+ ART 4/G2+
C
D2L- +G2
1 2 3 4 5 6 7 8 910
ON
Access door panel
100~240Vac
Mains
BUS (M) BUS(PL)
FA-G2+
LN
A B C
80m 80m 80m
Cable
D
30m
B+C+D
190m
E
15m
RAP-GTWIN/HF 2x1mm
2
WIRING DIAGRAMS
APARTMENT 31
ART 4/G2+
Master
ART 4/G2+
Master
APARTMENT 32
End of
l nei
Configur the end of line in
the last monitor.
e
Dip 8 to ON.
Lock release
a dm x. 12 V c/270mA.
Set to ON the end of line in
the last distributor.
**
( )
*
( )
NEXA MODULAR G2+ AUDIO AND VIDEO DOOR ENTRY SYSTEM - BUILDING
Important:
page )52 .
For a.c. lock release or a second lock release, see(
For more information of the ART 4 G2+ monitor, see theor ART 4 LITE/G2+ quick guide that is attached with its corresponding product.
(1)
( )2

Table of Contents

Other manuals for golmar Nexa Modular G2+

Related product manuals