EasyManua.ls Logo

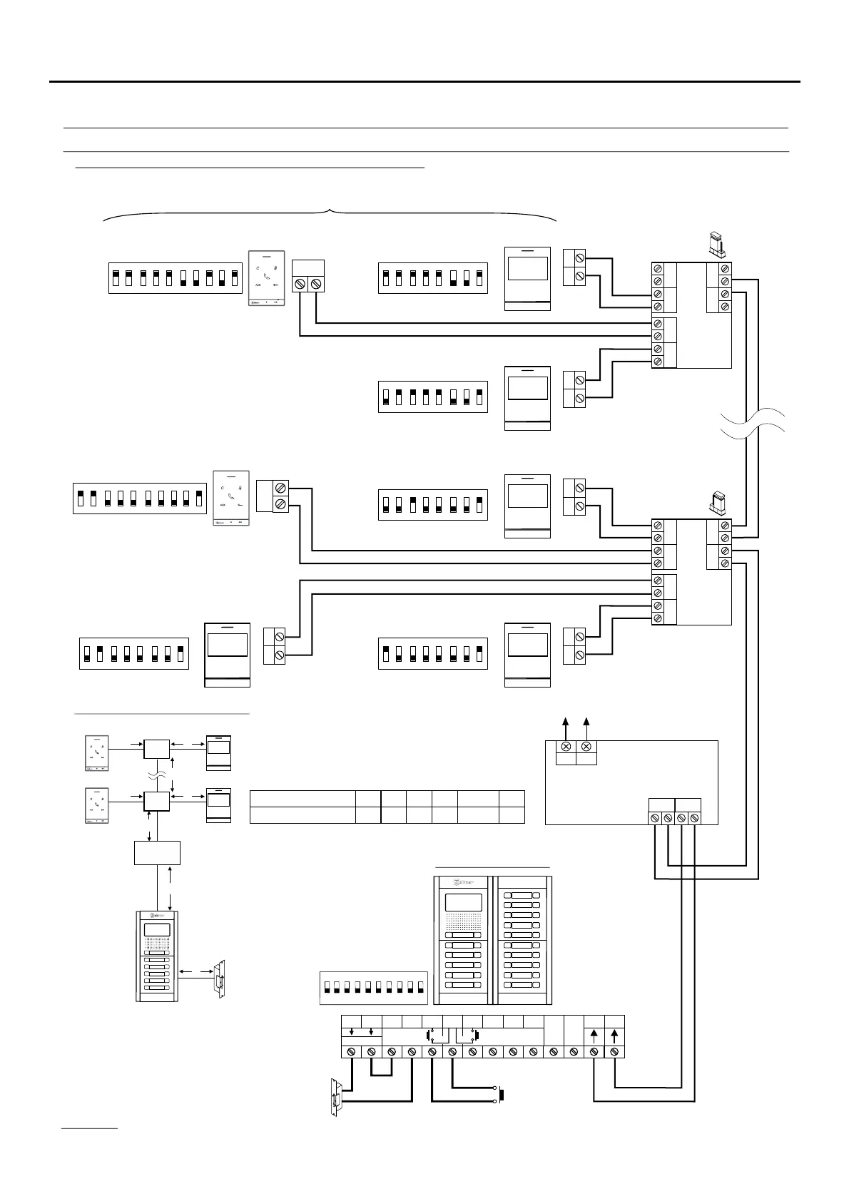
golmar Nexa Modular G2+ - WIRING DIAGRAMS; Mixed installation: Up to 32 elements (ART 4;G2+ or ART 4 LITE;G2+ monitors;ART 1;G2+ audio terminals), 8 D4 L-G2+ distributors and Golmar d.c lock release.

golmar Nexa Modular G2+
60 pages
Print Icon
To Next Page IconTo Next Page
To Next Page IconTo Next Page
To Previous Page IconTo Previous Page
To Previous Page IconTo Previous Page
Loading...
Configur the end of line in
the last monitor
e
Dip 8 to ON
or last terminal Dip 10 to ON.
Lock release
a dm x. 12 V c/270mA.
BUS
BUS
BUS BUS
D4
D3
D2
D1
D4L- 2+G
Set to ON the end of line in
the last distributor.
AP
Distances and cross-sections:
D -G24L +
A
D
B
D
(1)
(1)
E
FA-G2+
ART 4/G2+
**
( )
*
( )
BUS
BUS
BUS BUS
D4
D3
D2
D1
D4L- 2+G
ART 4/G2+
Master
BUS BUS
APARTMENT 31
**
( )2 ( )
ON
1 2 3 4 5 6 7
8
ART 4/G2+
Master
BUS BUS
APARTMENT 30
**
( )2 ( )
ON
1 2 3 4 5 6 7
8
ART 4/G2+
Master
BUS BUS
APARTMENT 4
**
( )2 ( )
ON
1 2 3 4 5 6 7
8
APARTMENT 2
ART 4/G2+
Master
**
( )2 ( )
ON
1 2 3 4 5 6 7
8
BUS BUS
ART 4/G2+
Master
BUS BUS
APARTMENT 1
**
( )2 ( )
ON
1 2 3 4 5 6 7
8
Mains
100~240Vac
BUS (M) BUS(PL)
FA-G2+
LN
D D
ART 4/G2+
C
NA2
+
AP-
C1
NA1
AP+
C2
AP+
GND
BUSBUS
Relé 2
Relé 1
_
12Vdc
NC2
CCTV
1 2 3 4 5 6 7 8 910
ON
End of
l nei
ON
OFF
End of
l nei
*
( )
A B C
80m 80m 80m
Cable
D
30m
B+C+D
190m
E
15m
RAP-GTWIN/HF 2x1mm
2
Access door panel
Mixed installation: Up to 32 elements (ART 4/G2+ or ART 4 LITE/G2+ monitors / ART 1/G2+ audio terminals),
8 D4L-G2+ distributors and Golmar .d.c lock release
ART 1/G2+
Slave 1
BUS
AUX
APARTMENT 31
**
( )2 ( )
ON
1 2 3 4 5 6 7
8 9 10
ART 1/G2+
Master
BUS
AUX
APARTMENT 3
**
( )2 ( )
ON
1 2 3 4 5 6 7
8 9 10
Additional ART 1/G2+ terminal (in the same apartment)
ART 1/G2+
AUX
ART 1/G2+
AUX
38
WIRING DIAGRAMS
NEXA MODULAR G2+ AUDIO AND VIDEO DOOR ENTRY SYSTEM - BUILDING
Important:
page )52 .
For a.c. lock release or a second lock release, see(
For more information of the ART 4 G2+, ART 4 LITE/G2+ monitor & ART1/G2+, see the quick guide that is attached with its corresponding product.
(1)
( )2

Table of Contents

Other manuals for golmar Nexa Modular G2+

Related product manuals