EasyManua.ls Logo

Goodix GR5515 - 9 On-Board QSPI Flash

Goodix GR5515
21 pages
Print Icon
To Next Page IconTo Next Page
To Next Page IconTo Next Page
To Previous Page IconTo Previous Page
To Previous Page IconTo Previous Page
Loading...
On-board QSPI Flash
Copyright © 2020 Shenzhen Goodix Technology Co., Ltd. 12
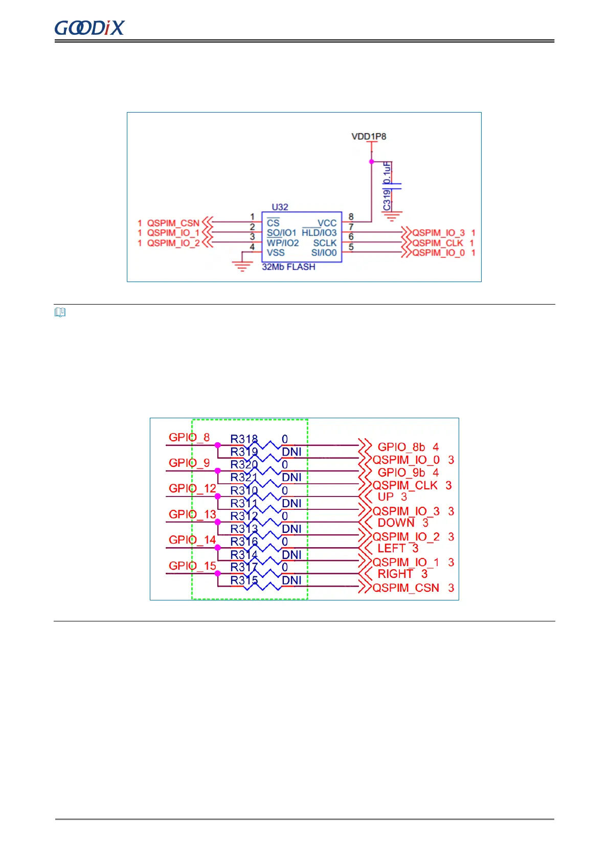
9 On-board QSPI Flash
The GR5515 SK Board integrates a 32 MB QSPI flash, to expand flash memory and store application data.
Figure 9-1 Expanded QSPI flash schematic diagram
Note:
QSPI flash pins, buttons (UP, LEFT, RIGHT, DOWN), and Arduino Uno Shield Connectors pins (GPIO8 and GPIO9)
multiplex. By default, the zero-ohm resistor is disconnected, and QSPI flash pins do not work.
To use QSPI flash pins, disconnect these pins from buttons, GPIO8, and GPIO9, and solder a zero-ohm resistor
at the corresponding DNI resistance part.
Figure 9-2 Connections shared by buttons and QSPI flash pins