EasyManua.ls Logo

Goodman AMES800803B - Furnace Wiring Diagrams; Typical Schematic

Goodman AMES800803B
53 pages
Print Icon
To Next Page IconTo Next Page
To Next Page IconTo Next Page
To Previous Page IconTo Previous Page
To Previous Page IconTo Previous Page
Loading...
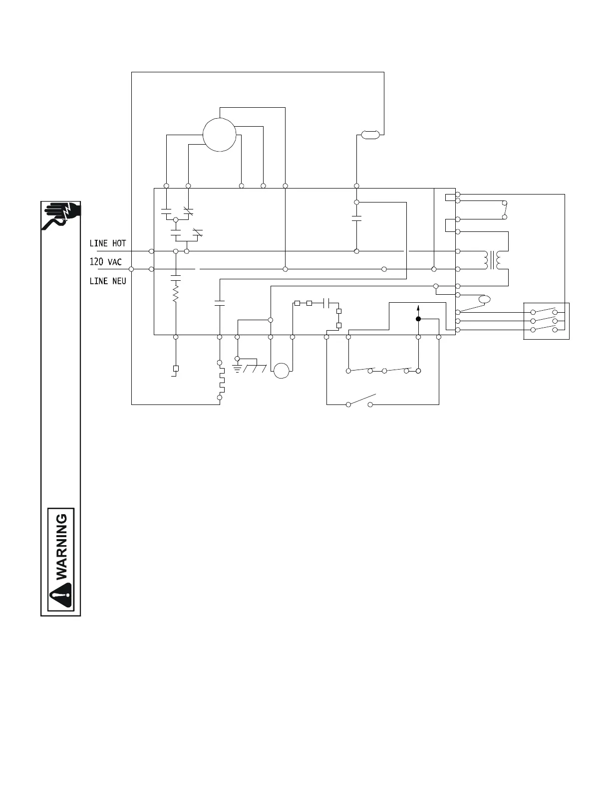
WIRING DIAGRAMS
Wiring is subject to change. Always refer to the wiring diagram on the unit for the most up-to-date wiring.
HIGH VOLTAGE!
DISCONNECT ALL POWER BEFORE SERVICING OR INSTALLING THIS
UNIT. MULTIPLE POWER SOURCES MAY BE PRESENT. FAILURE TO
DO SO MAY CAUSE PROPERTY DAMAGE, PERSONAL INJURY OR DEATH.
51
.0005
3M
K5
K2
HEAT COOL
PARK PARK
CIR
NEU
K8
GAS
VALVE
HIGH
LIMIT
AUX
LIMIT
PRESSURE
SWITCH
FLAME
SENSOR
PROBE
IGNITOR
FP
IGN
GND
MV MV
PS
HLO
HLI
CIRCULATOR
BLOWER
XFMR
HOT
XFMR
NEU
24 VAC
TH
RO1
RO2
R
TR
C
Y
G
W
COMPRESSOR
CONTACTOR
COIL
THERMOSTAT
R
Y
G
W
INDUCER
IND
K3
ROLLO
UT
SWITCH
K1
FACTORY
JUMPER
FACTORY
JUMPER
PSO



