EasyManua.ls Logo

Graco 16U287 - Hydraulic Motor

Graco 16U287
34 pages
Print Icon
To Next Page IconTo Next Page
To Next Page IconTo Next Page
To Previous Page IconTo Previous Page
To Previous Page IconTo Previous Page
Loading...
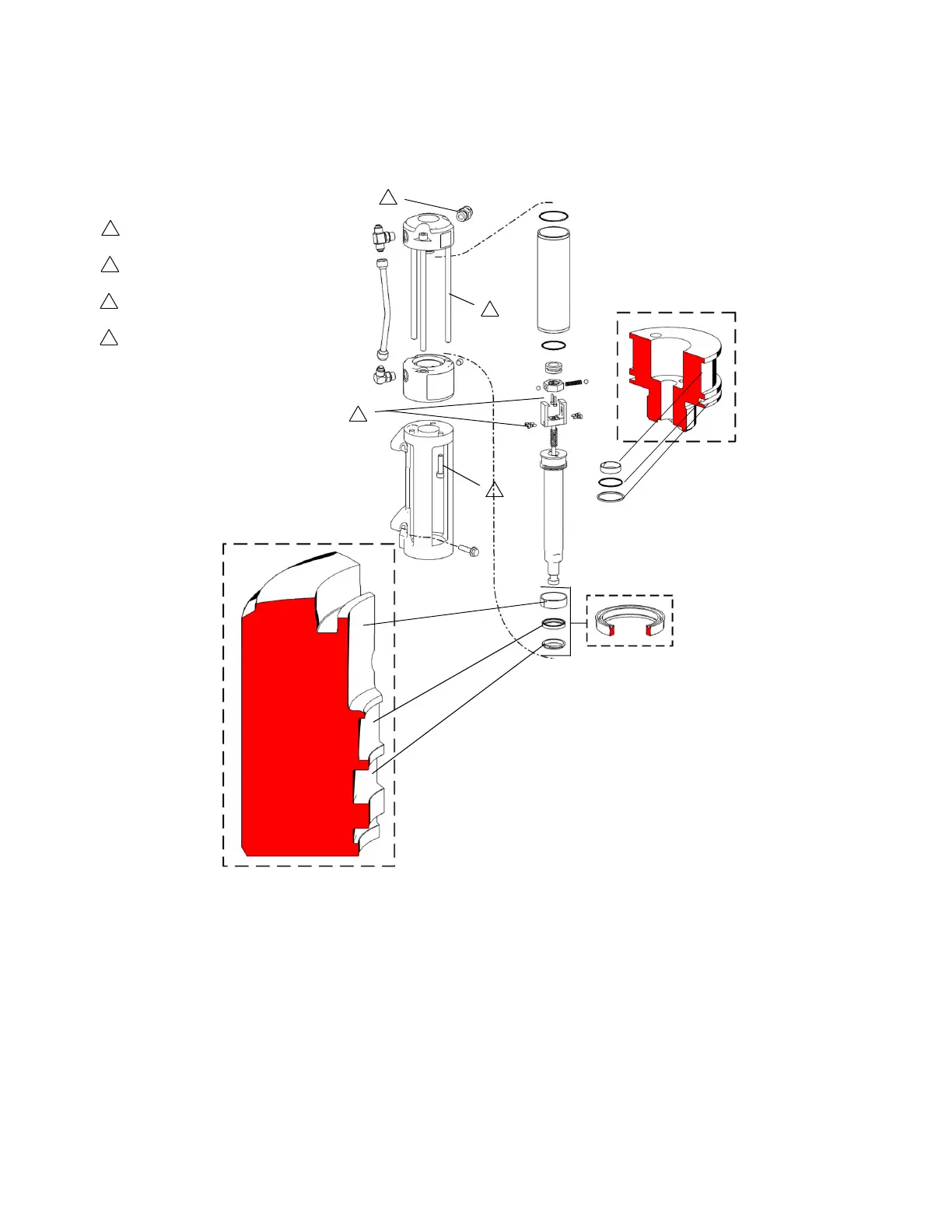
Hydraulic Motor
14 311283J
Hydraulic Motor
1
2
3
4
1
450 in-lb (51 N•m)
600 in-lb (68 N•m)
60 in-lb (7 N•m)
930 in-lb (105 N•m)
Torqued in 3 steps
2
3
4
ti7868

Related product manuals