EasyManua.ls Logo

Graco 253485 - Page 7

Graco 253485
32 pages
Print Icon
To Next Page IconTo Next Page
To Next Page IconTo Next Page
To Previous Page IconTo Previous Page
To Previous Page IconTo Previous Page
Loading...
308441 7
Installation
Changing the Orientation of the Fluid Inlet
and Outlet Ports
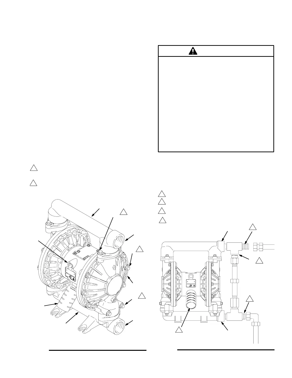
The pump is shipped with the fluid inlet (R) and outlet
(S) ports facing the same direction. See Fig. 3. To
change the orientation of the inlet and/or outlet port:
1. Remove the screws (106) holding the inlet (102)
and/or outlet (103) manifold to the covers (101).
2. Reverse the manifold and reattach. Install the
screws, and torque according to the torque notes
in Fig. 3.
Fig. 3
1
Apply medium-strength (blue) Loctite or equivalent to the
threads. Torque to 120–150 in-lb (14–17 Nm). See Torque
Sequence, page 28.
KEY
N 1/2 npt(f) air inlet port
P Muffler. Air exhaust port
is 3/4 npt(f) . (Not included
on Model No. 253485)
R 1.5 npt(f) fluid
inlet port
S 1.5 npt(f) fluid
outlet port
101Covers
102 Fluid inlet manifold
103 Fluid outlet manifold
106 Manifold and cover screw
s
112 Bottom cover screws
N
P
R
S
2
Aluminum Model Shown
1
106
106
102
103
101
112
2
2
Apply medium-strength (blue) Loctite or equivalent to the
threads. Torque to 190–220 in-lb (22–25 Nm). See Torque
Sequence, page 28.
03263B
Fluid Pressure Relief Valve
Some systems may require installation of a pres-
sure relief valve at the pump outlet to prevent
overpressurization and rupture of the pump or
hose. See Fig. 4.
Thermal expansion of fluid in the outlet line can
cause overpressurization. This can occur when
using long fluid lines exposed to sunlight or ambi-
ent heat, or when pumping from a cool to a warm
area (for example, from an underground tank).
Overpressurization can also occur if the Husky
pump is being used to feed fluid to a piston pump,
and the intake valve of the piston pump does not
close, causing fluid to back up in the outlet line.
CAUTION
Fig. 4
1
2 Connect fluid inlet line here.
KEY
R 1.5 npt(f) fluid inlet port
S 1.5 npt(f) fluid outlet port
V Pressure relief valve (Order Part No. 112119 for stainless steel
pumps)
R
S
Connect fluid outlet line here.
1
2
3
Install valve between fluid inlet and outlet ports.
V
03461B
4 Muffler not included on Model No. 253485
3
4

Related product manuals