EasyManua.ls Logo

Graco GH 230 - Page 40

Graco GH 230
69 pages
Print Icon
To Next Page IconTo Next Page
To Next Page IconTo Next Page
To Previous Page IconTo Previous Page
To Previous Page IconTo Previous Page
Loading...
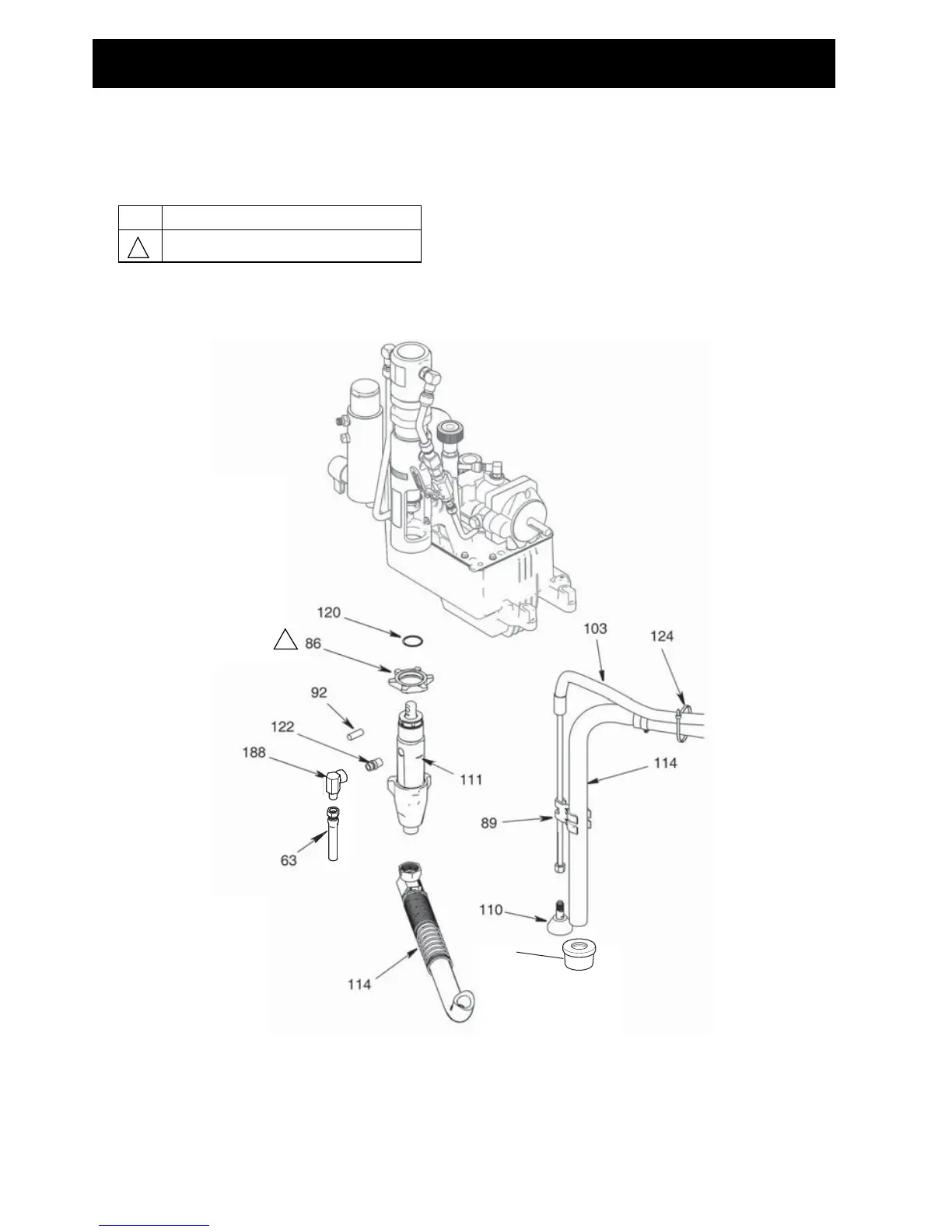
GH™130/200/230/300 Standard Series Parts
40 334558D
Parts
GH
130/200/230/300 Standard Series
Ref. Torque
70-80 ft-lb (94.9 - 108.5 N•m)
1
198
ti25127a
1

Other manuals for Graco GH 230

Related product manuals