EasyManua.ls Logo

Graco Pro210ES - Hi-Boy Models

Graco Pro210ES
41 pages
Print Icon
To Next Page IconTo Next Page
To Next Page IconTo Next Page
To Previous Page IconTo Previous Page
To Previous Page IconTo Previous Page
Loading...
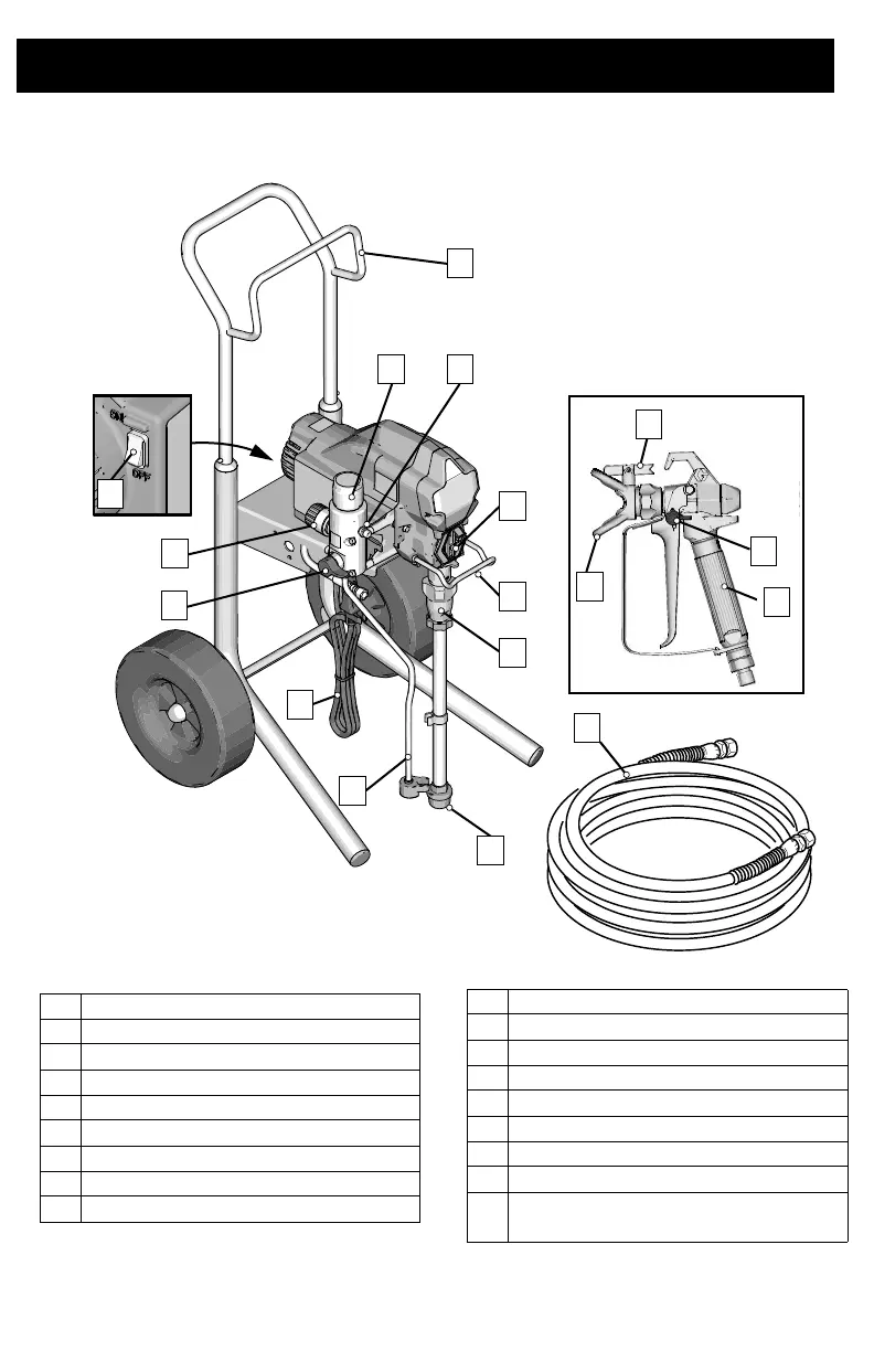
Component Identification
8 334659G
Hi-Boy Models
ti25465a
J
U
K
M
N
V
P
RT
A
B
D
S
G
F
L
H
A ON/OFF Switch
B Pressure Control
D Prime Valve
F Tip Guard
G Spray Tip
HGun
J Airless Hose
K Power Cord
L Trigger Lock
M Drain Tube
N Fluid Intake
PPump
R Fluid Outlet
S Hanger
TFilter
U Finger Guard / TSL Fill Point
V Pail Hook
Model/Serial Tag (Not shown, located
on bottom of unit.)

Related product manuals