EasyManua.ls Logo

Graco Reactor A-25 - 25

Graco Reactor A-25
64 pages
Print Icon
To Next Page IconTo Next Page
To Next Page IconTo Next Page
To Previous Page IconTo Previous Page
To Previous Page IconTo Previous Page
Loading...
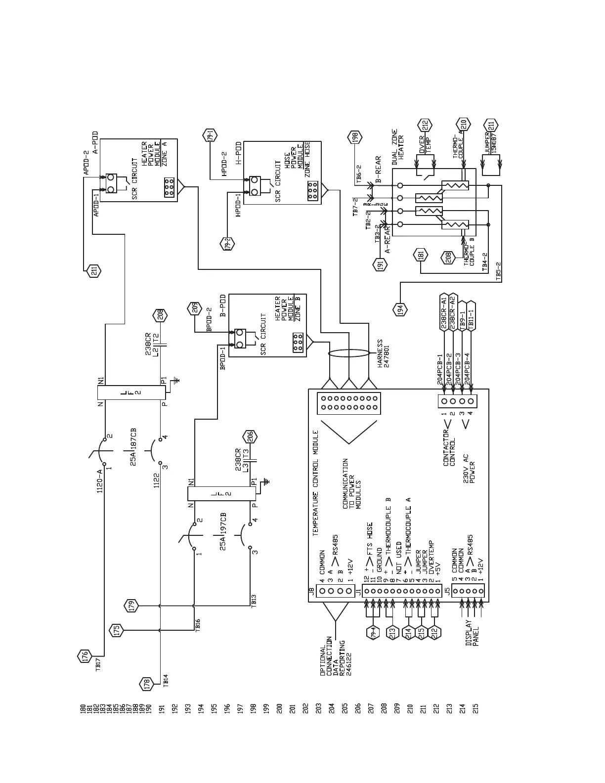
Wiring Schematics
56 3A1570V
A-25
180
181
182
183
184
185
186
187
188
189
190
191
192
193
194
195
196
197
198
199
200
201
202
203
204
205
206
207
208
209
210
211
212
213
214
215
176
179
197CB
B-POD
238CR
L3
T3
1
2
4
3
25A
178
175
187CB
A-POD
238CR
L2
T2
1
2
43
25A
1122
1120-A
HEATER
POWER
MODULE
ZONE A
SCR CIRCUIT
THERMO-
COUPLE A
APOD-2
APOD-1
HEATER
POWER
MODULE
ZONE B
SCR CIRCUIT
BPOD-2
BPOD-1
OPTIONAL
CONNECTION
DATA
REPORTING
246122
J8
12 +
11 -
10 GROUND
9 +
8 -
7 NOT USED
6 +
5 -
4 JUMPER
3 JUMPER
2 OVERTEMP
1 +5V
5 COMMON
4 COMMON
3 A
2 B
1 +12V
RS485
FTS HOSE
THERMOCOUPLE B
THERMOCOUPLE A
RS485
J1
J5
TEMPERATURE CONTROL MODULE
COMMUNICATION
TO POWER
MODULES
4 COMMON
3 A
2 B
1 +12V
4
3
2
1
CONTACTOR
CONTROL
230V AC
POWER
204PCB-4
204PCB-3
204PCB-2
204PCB-1
TB11-1
TB9-1
238CR-A2
238CR-A1
HARNESS
247801
179-4
213
214
212
H-POD
HOSE
POWER
MODULE
ZONE HOSE
SCR CIRCUIT
HPOD-2
HPOD-1
DUAL ZONE
HEATER
OVER
TEMP
THERMO-
COUPLE B
A-REAR
B-REAR
TB17
198
191
TB6-2
TB2-2
TB7-2
TB3-2
TB4-2
TB5-2
208
206
B
R
I
D
G
E
194
181
209
211
TB14
TB16
TB13
208
210
212
179-2
179-1
DISPLAY
PANEL
L
F
2
N
N1
P1
P
L
F
2
N
N1
P1
P
215
JUMPER
15H187
211
ti18012b

Table of Contents

Other manuals for Graco Reactor A-25

Related product manuals