EasyManua.ls Logo

Graco XM PFP - Component Identification; Front View Identification

Graco XM PFP
100 pages
Print Icon
To Next Page IconTo Next Page
To Next Page IconTo Next Page
To Previous Page IconTo Previous Page
To Previous Page IconTo Previous Page
Loading...
Component Identification
3A2776K 9
Component Identification
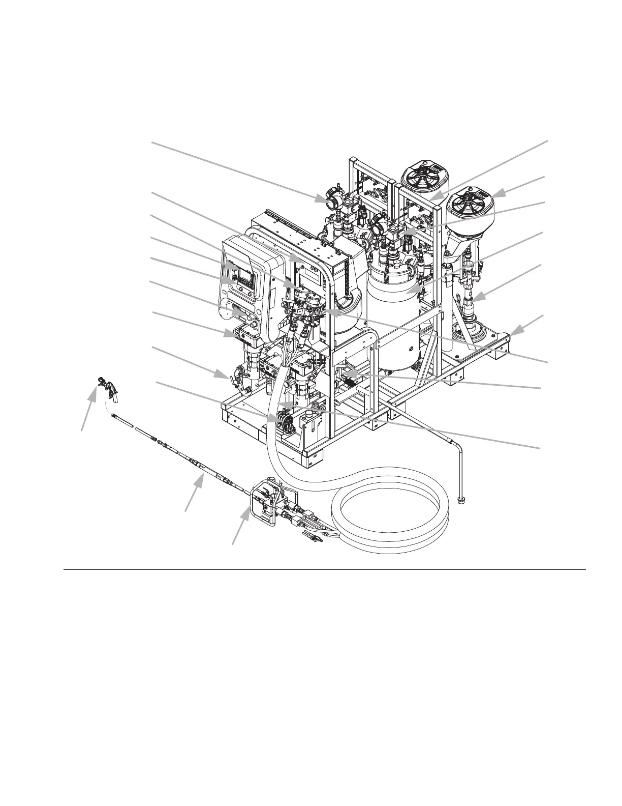
Typical Setup (Front View)
FIG. 1
WLF
A
B
C
D
G
H
J
L
M
N
P
R
S
T
U
V
Y
X
K
E, F
C1
Ref. Description
AFrame
B Fluid Control Assembly (see page 11)
C User Interface (see page 15)
D Metering Pumps Control On and Off Buttons
E Main Air Supply Shutoff Valve, 1 in. npt(f) Inlet
F Air Filter, 1-1/4 in.
G Air Controls for Sprayer and Flush Pump (see page 13)
H Viscon HP Heater for hose bundle
J Main Power and Heater Controls (see page 12)
K Viscon HF Material Heater
L Air Powered Agitator with Lubricator
M Feed Pump
N Recirculation Control Valve
P Pressure Tank, Double-Wall Temperature Conditioned
R Remote Mix Manifold
S Static Mixer Assembly
T Spray Gun
UAir Motor
V Feed Module Air Controls (see page 14)
X Flush Pump (Merkur Pump)
Y Radar Fluid Level Sensor
C1 Heated Fluid Circulation Pump for Hose Bundle
Ref. Description

Table of Contents

Other manuals for Graco XM PFP

Related product manuals