EasyManua.ls Logo

GRAND EFFECTS FBBRPCON30 - Section 9. Wiring Diagram

GRAND EFFECTS FBBRPCON30
24 pages
Print Icon
To Next Page IconTo Next Page
To Next Page IconTo Next Page
To Previous Page IconTo Previous Page
To Previous Page IconTo Previous Page
Loading...
Fire Bowls and Inserts Premium Line
Automated Operation
Page 23
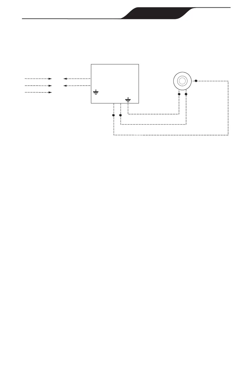
Section 9. Wiring Diagram
BLACK
WHITE
120V BLACK
120V WHITE
GREEN
GROUND
BURNER
GREEN
X2 ORANGE
X2 ORANGE
X1 BLACK
X1 BLACK
CONTROL PANEL

Related product manuals