EasyManua.ls Logo

Grasslin Towerchron QE1, QE2 - Page 48

Grasslin Towerchron QE1, QE2
49 pages
Print Icon
To Next Page IconTo Next Page
To Next Page IconTo Next Page
To Previous Page IconTo Previous Page
To Previous Page IconTo Previous Page
Loading...
39
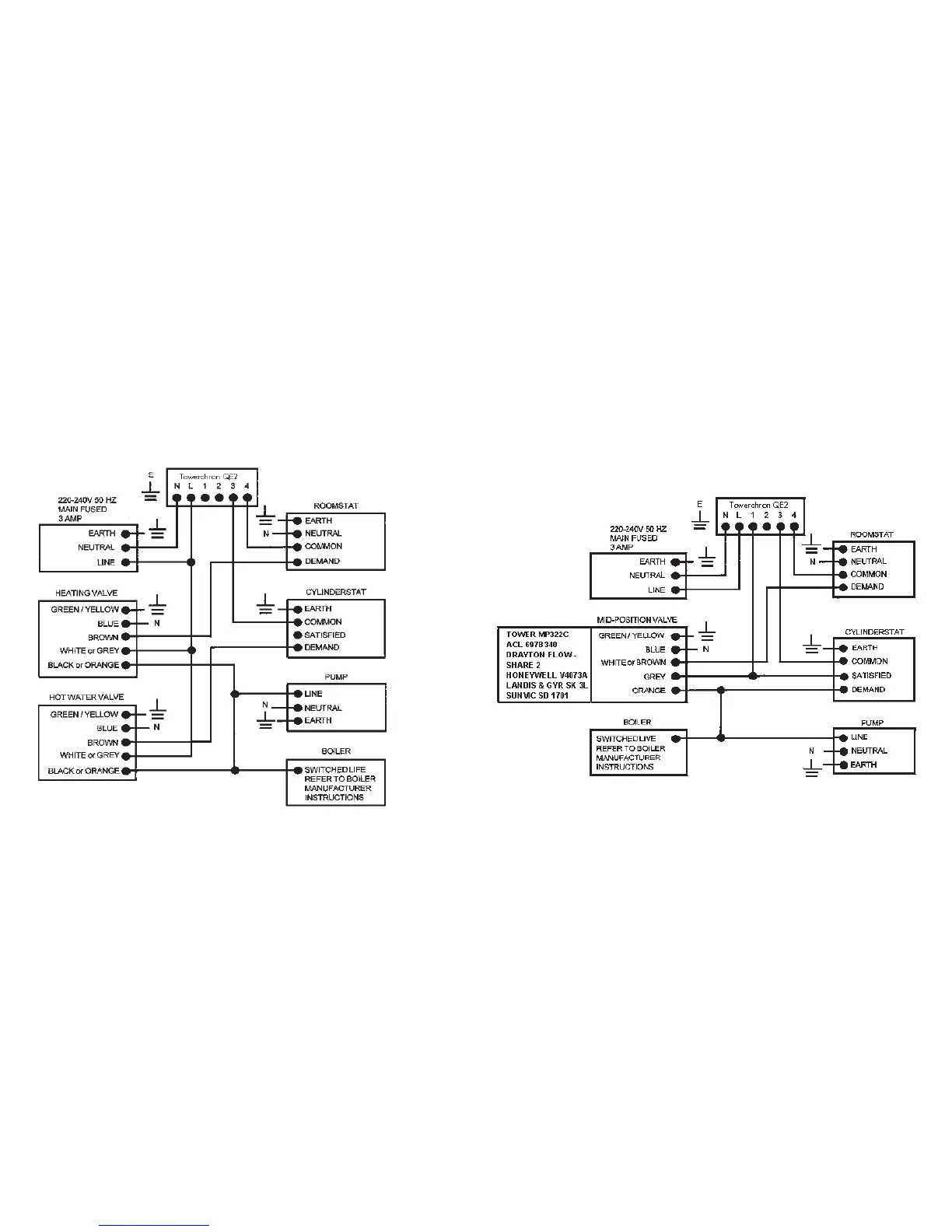
Fully Pumped System using 2 Port Spring
Return
Fully Pumped System using 3 Port Mid-Position
Valve

Related product manuals