EasyManua.ls Logo

Gree FXB5A-K - Wiring Diagram

Gree FXB5A-K
207 pages
Print Icon
To Next Page IconTo Next Page
To Next Page IconTo Next Page
To Previous Page IconTo Previous Page
To Previous Page IconTo Previous Page
Loading...
Super Free Match
Service Manual
MAINTENANCE
N
133
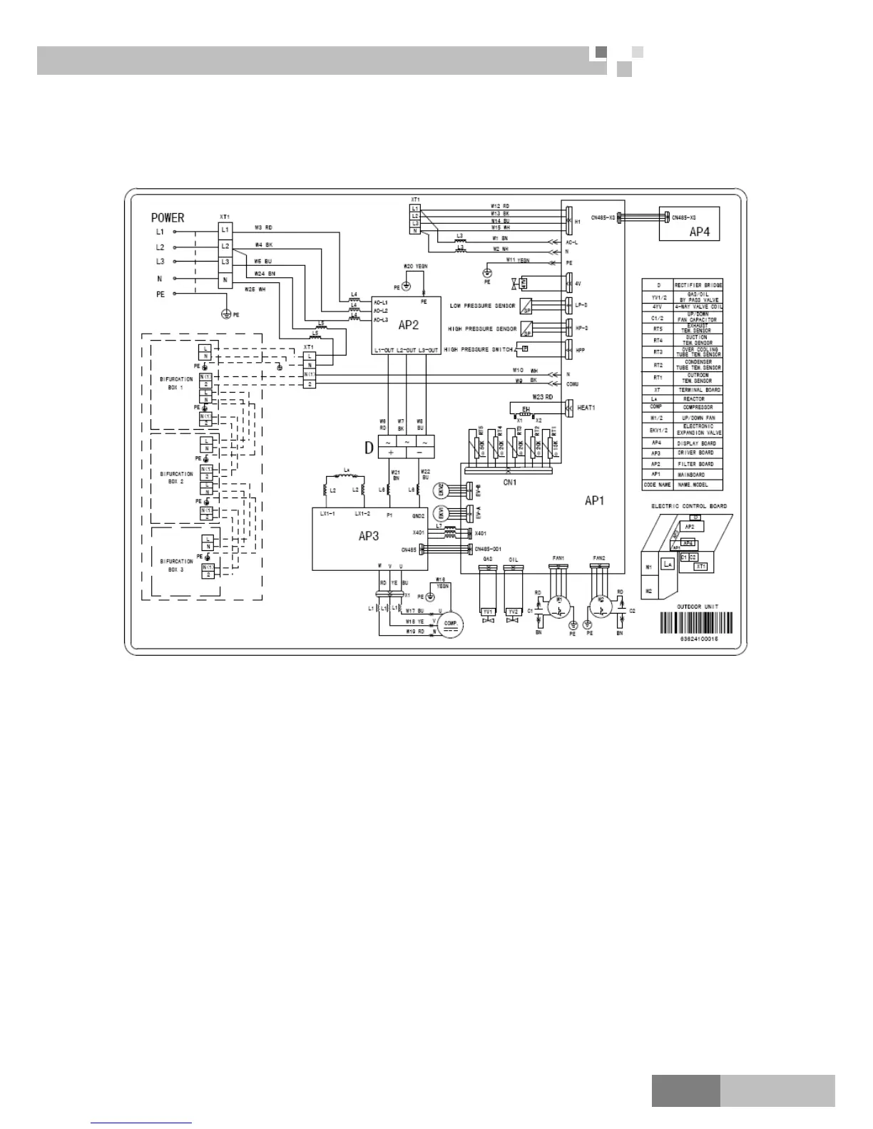
4.2 Wiring diagram
Note:
This drawing is just for reference; please always refer to the electric wiring stuck to the unit for actual wiring.
4.2.1 Outdoor unit
GWHD(56S)NM3COGWHD(48S)NM3CO

Table of Contents

Related product manuals