EasyManua.ls Logo

Gree FXB5A-K - Parts and Components of Unit; Selection of Installation Location

Gree FXB5A-K
207 pages
Print Icon
To Next Page IconTo Next Page
To Next Page IconTo Next Page
To Previous Page IconTo Previous Page
To Previous Page IconTo Previous Page
Loading...
Super Free Match
Service Manual
INSTALLATION67
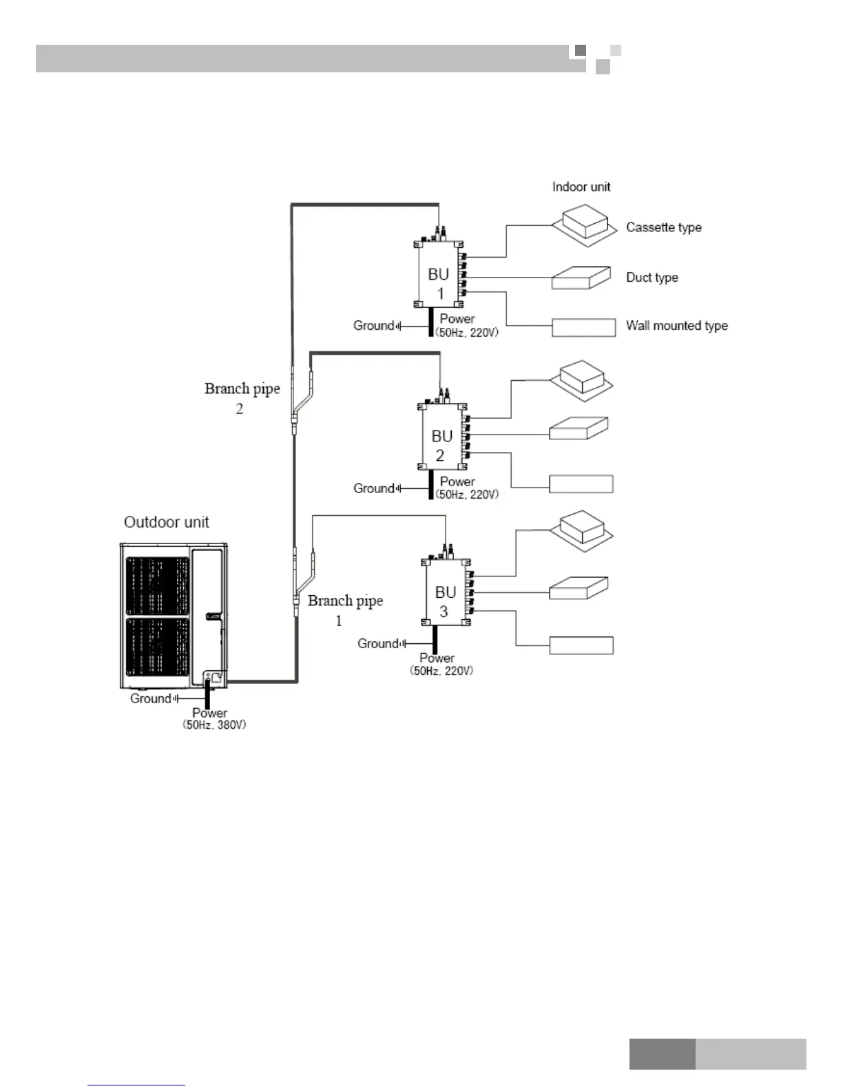
3.5 Parts and Components of Unit
For the super free match series system, one outdoor unit is able to drive up to three BU modules and nine
indoor units which include cassette type, duct type, wall-mounted type, floor ceiling type and console type. The
outdoor unit will run as long as any one indoor unit receives the running command, and all indoor units stop once
the outdoor unit is turned off.
3.6 Selection of Installation Location
The installation of the air conditioner must be in accordance with the national and local laws and
regulations.
The quality of the installation will affect the capability of air conditioner directly. The installation
should be left to the appointed service center. Please contact your dealer after purchasing this machine.
Professional installation workers will provide installation and test services according to the installation
manual.
The air conditioner should not install in this place where the small animals exist, because they may
cause malfunctions, smoke or fire.
Please keep the area around the unit clean.
The outdoor unit must be installed on a firm and solid support which can withstand the weight and the
mounting surface must be horizontal plane.
There is enough space for the installation and maintenance.

Table of Contents

Related product manuals