EasyManua.ls Logo

Gree GMV-120WM/B-F

Gree GMV-120WM/B-F
424 pages
To Next Page IconTo Next Page
To Next Page IconTo Next Page
To Previous Page IconTo Previous Page
To Previous Page IconTo Previous Page
Loading...
GMV5 D.C INVERTER MULTI VRF SERVICE MANUAL
16
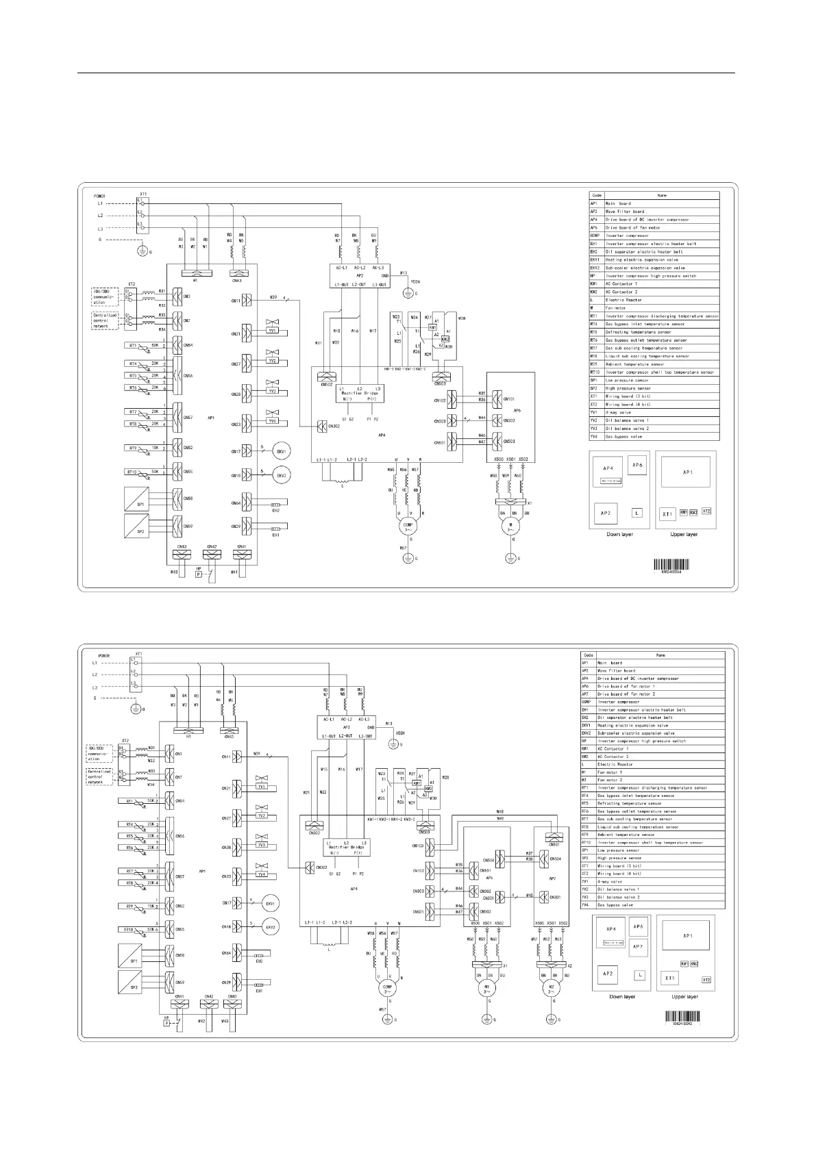
2. Circuit Diagram
2.1 Circuit Diagram of ODU
2.1.1 Circuit diagram of GMV-72WM/B-F(U)
2.1.2 Circuit diagram of GMV-96WM/B-F(U)

Table of Contents

Other manuals for Gree GMV-120WM/B-F

Related product manuals