EasyManua.ls Logo

Gree GMV-560WM/E-X - Combinations of Indoor and Outdoor Units

Gree GMV-560WM/E-X
308 pages
Print Icon
To Next Page IconTo Next Page
To Next Page IconTo Next Page
To Previous Page IconTo Previous Page
To Previous Page IconTo Previous Page
Loading...
GREE GMV5E DC INVERTER VRF UNITS SERVICE MANUAL
4
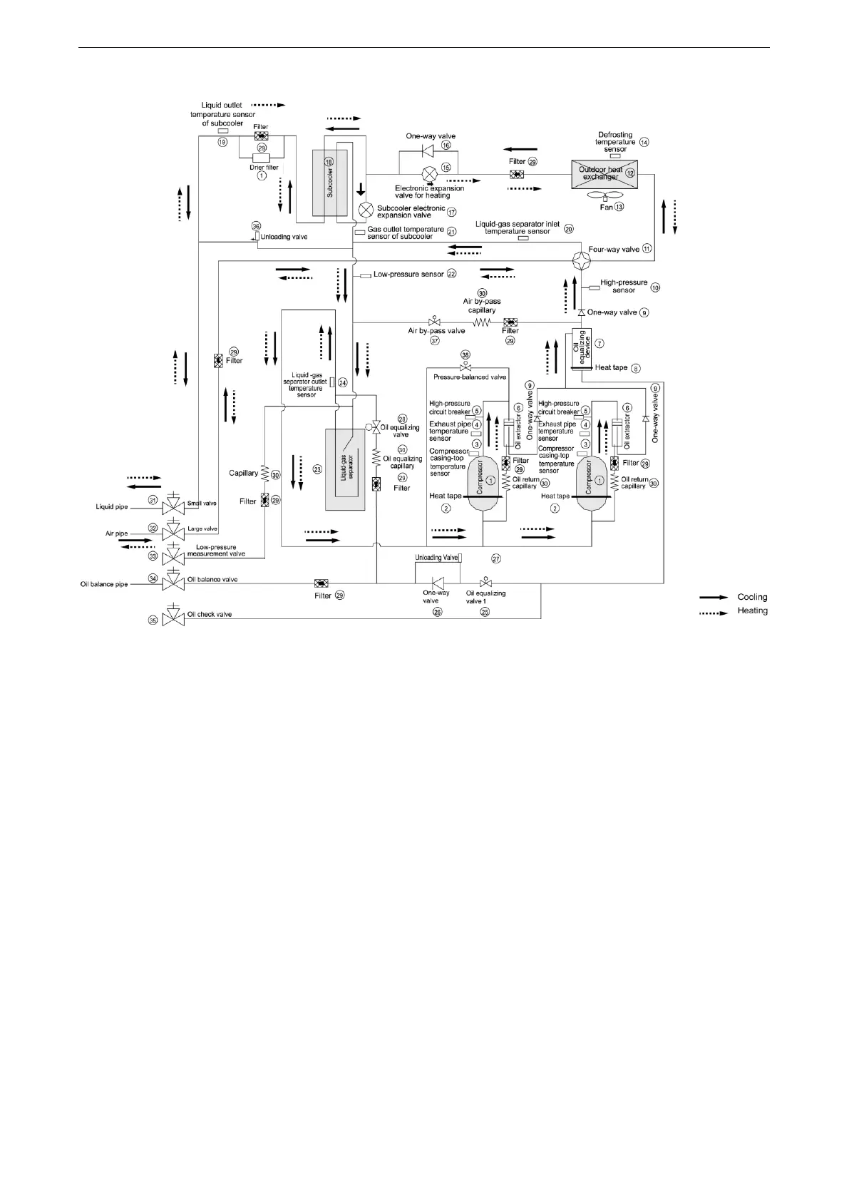
1.3.2 Piping Diagram of GMV-400WM/E-X and GMV-450WM/E1-X

Table of Contents

Other manuals for Gree GMV-560WM/E-X

Related product manuals