EasyManua.ls Logo

Gree GMV-ND07PLS/A-T(U) - Slim Duct Type Indoor Unit; Four-Way Cassette Type Indoor Unit

Gree GMV-ND07PLS/A-T(U)
266 pages
To Next Page IconTo Next Page
To Next Page IconTo Next Page
To Previous Page IconTo Previous Page
To Previous Page IconTo Previous Page
Loading...
GREE Multi Variable Air Conditioners Indoor Unit
149
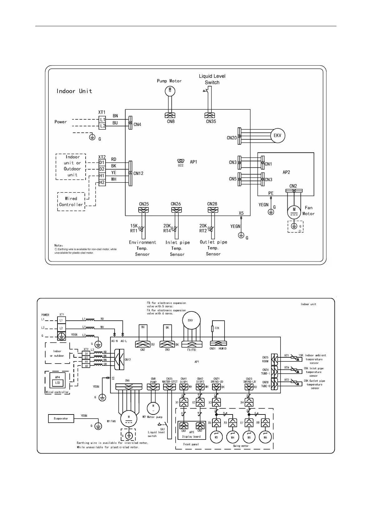
3.2 Slim Duct Type Indoor Unit
Model: GMV-ND06PLS/B-T(U) ~ GMV-ND24PLS/B-T(U)
3.3 Four-way Cassette Type Indoor Unit
Model: GMV-ND07T/A-T(U) ~ GMV-ND48T/A-T(U)

Table of Contents

Related product manuals