EasyManua.ls Logo

Grizzly G0601 - G0442 Wiring Diagram

Grizzly G0601
60 pages
Print Icon
To Next Page IconTo Next Page
To Next Page IconTo Next Page
To Previous Page IconTo Previous Page
To Previous Page IconTo Previous Page
Loading...


READ ELECTRICAL SAFETY
ON PAGE 49!
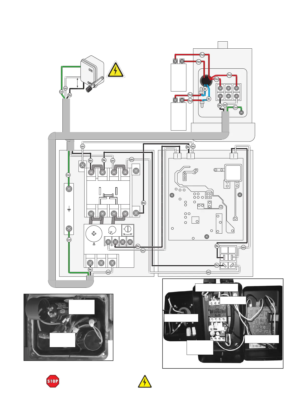
G0442 Wiring Diagram
Figure 78.
 Figure 79.





A1
Ground
2T1 6T3
14NO
4T2
1L1 5L3
13NO
3L2
NHD C-18D
2T1 4T2 6T3
98 97
A2
96
O R
95
21
22
23
25
ON/OFF
Switch
A2
OL_NO AC
OUT
AC
IN
Start
Capacitor
400MFD
250VAC
Run
Capacitor
40µF
450VAC
220V Motor
220V
Circuit Board
220V Magnetic Contactor
Switch and Overload Relay
Ground
Hot
Hot
DISCONNECT
SWITCH
(as recommended)
1-PHASE
220 VAC
NTH-25







Table of Contents

Related product manuals