EasyManua.ls Logo

Groen BPM-15EC - Manual Tilt

Groen BPM-15EC
19 pages
Print Icon
To Next Page IconTo Next Page
To Next Page IconTo Next Page
To Previous Page IconTo Previous Page
To Previous Page IconTo Previous Page
Loading...
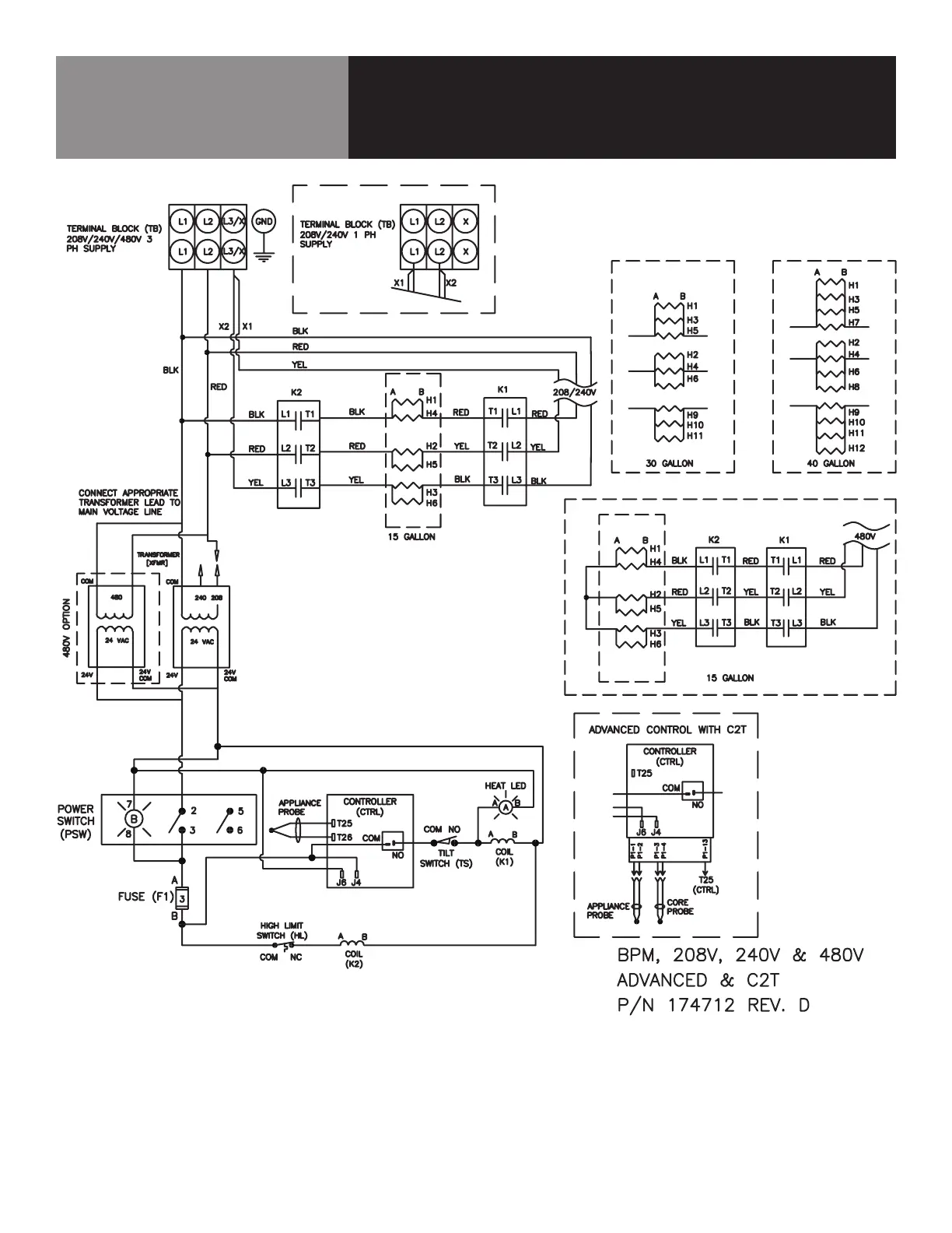
16 OM-BPM-15/30/40E(C,A,C2T™) & BPP-30/40E(C,A,C2T™)
Wiring Diagram
Advanced (-EA) &
Cook2Temp™ (-EC2T™)
MANUAL TILT
CALL FACTORY FOR REPLACEMENT PARTS:
888-994-7636

Related product manuals