EasyManua.ls Logo

Grundfos DMX 24-8 - 4 Installation; Installation Information

Grundfos DMX 24-8
44 pages
Print Icon
To Next Page IconTo Next Page
To Next Page IconTo Next Page
To Previous Page IconTo Previous Page
To Previous Page IconTo Previous Page
Loading...
17
V6.0
DMX model 226 en
4 Installation
4.1 Installation Information
1
2
3
4
5
6
7
9
10
8
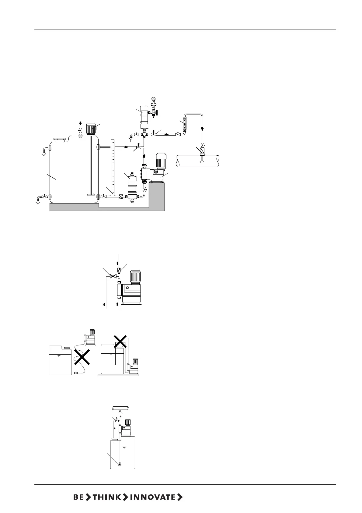
Picture of optimal installation:
1 Dosing tank
2 Electric agitator
3 Extraction device
4 Suction pulsation damper
5 Dosing pump
6 Overflow valve
7 Pressure retention valve
8 Pulsation damper
9 Measuring glass
10 Injection unit
p
10
6
13
11
12
For easy deaeration of the pump:
Install a ball valve (11) with bypass line (back to the dosing tank)
immediately behind the pressure valve
In case of long pressure lines:
Install a check-back valve (12) into the dosing line.
Keep the suction line as short as possible, avoid a tangled suction
line
If necessary, use swept bends instead of elbows.
Always lay the suction line rising to the suction valve of the dosing
pump.
Avoid loops which cause air bubbles.
For non-degassing media with viscosity similar to water, the pump can
be mounted onto the tank (observe the admissible suction height).
Preferably flooded suction.
For dosing media which tend to sedimentation:
Install a suction line with filter (13) in a way ensuring that the suction
valve remains several centimetres a bove the botton of the tank.
6 Overflow valve
10 Injection unit

Table of Contents

Related product manuals