EasyManua.ls Logo

Grundfos DMX Series - Dimensional Drawing; Pump Dimensions

Grundfos DMX Series
40 pages
To Next Page IconTo Next Page
To Next Page IconTo Next Page
To Previous Page IconTo Previous Page
To Previous Page IconTo Previous Page
Loading...
16 15.720023-V3.0
DMX model 227
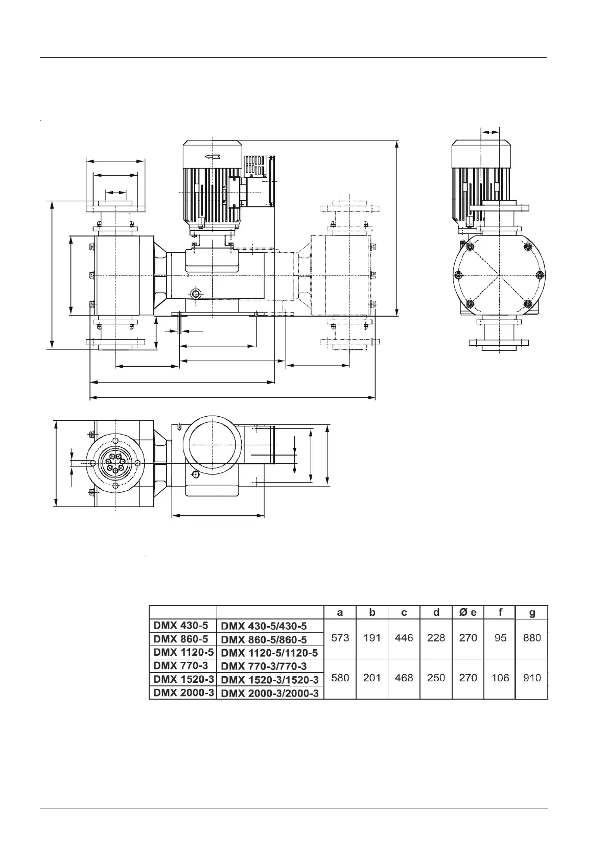
3.9 Dimensional Drawing
DMX model 227
*) dimension with double pump
g
57
170
f
290
25
DN65
C
241
ø9.5
ø17
ø185
ø140
d
194.5
ca. a
b
øe
333
b
555 (605 *)

Table of Contents

Other manuals for Grundfos DMX Series

Related product manuals