EasyManua.ls Logo

GSW 110 - Recirculation; Dual-purpose Hot Water Heating

GSW 110
44 pages
Print Icon
To Next Page IconTo Next Page
To Next Page IconTo Next Page
To Previous Page IconTo Previous Page
To Previous Page IconTo Previous Page
Loading...
21
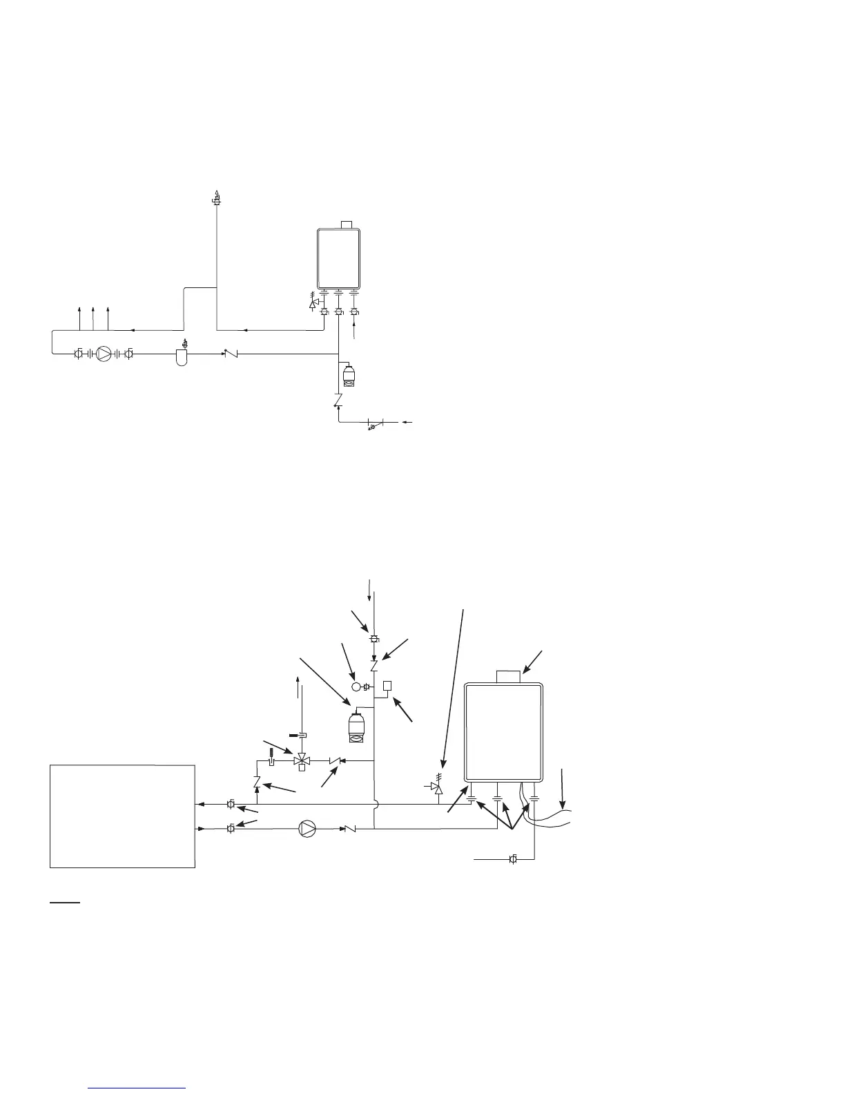
Recirculation
The recirculation pump is to be controlled by:
Dual-set aquastat (recommended w/timer)
OR
“Pump Control Mode” (510 Models only). Refer to pg. 20.
The recirculation pump is to provide no less than 7.5 l/min
(2 GPM (US)) and no more than 15 l/min (4 GPM (US)) through
each activated unit in the system.
Hot water outlet
Cold inlet
Gas inlet
Unions
Ball valves
Gas supply
Expansion tank
Check valve
Check valve
Y-Strainer
Cold
water
inlet
Air separator
Recirculation
pump
Air vent
Hot water outlet
to xtures
S
Dual-purpose Hot Water Heating
(Domestic and Space Heating):
Diagramatic layout of Radiant Heating and Domestic Water Heater.
* The recirculation pump is to provide no less than 7.5 l/min (2 GPM (US))
and no more than 15 l/min (4 GPM (US)) through each activated unit in the system.
Hot water outlet
Cold inlet
Gas inlet
Unions
120 VAC switch
or outlet
Check valves
Shut-off
valve
Cold inlet
Check Valve
Drain
plug
An approved Pressure Only Relied
Valve, tie to location approved by
local codes and must meet BTU
rating of water heater model used
Apply correct thermal
expansion tank-size
per application
Atmospheric
vacuum
breaker
Pressure
gauge
102mm (4 in.) gas exhaust
vent (discharge must comply
with local and state codes).
Can not be common vented
with other appliances
Tempered water
to house
Thermometer
Thermometer
Thermostatic mixing valve
Shut-off valves
Water
lter
Pump (must be sized properly
with each application). Pump shall
run 60 seconds every 6 hours
Heating coil
(used with air-handler)
**maximum allowable distance of 50 ft.
From water heater and heating panel
T-handle gas
shut-off valve
Check valve
Note:
Priority Control Devices such as a flow switch, an Aquastat or other electronic controller can be used to prioritize the
domestic water system over the heating system.
Follow all local codes.
This illustration is a concept design only. There are a wide variety of variations to the application of controls and equip-
ment presented. Designers must add all necessary safety and auxiliary equipment to conform to code requirements and
design practice. For more details, contact the manufacturer.

Related product manuals