EasyManua.ls Logo

Gulfstream IV - Stall Barrier; Angle of Attack Wiring Schematic

Gulfstream IV
70 pages
Print Icon
To Next Page IconTo Next Page
To Next Page IconTo Next Page
To Previous Page IconTo Previous Page
To Previous Page IconTo Previous Page
Loading...
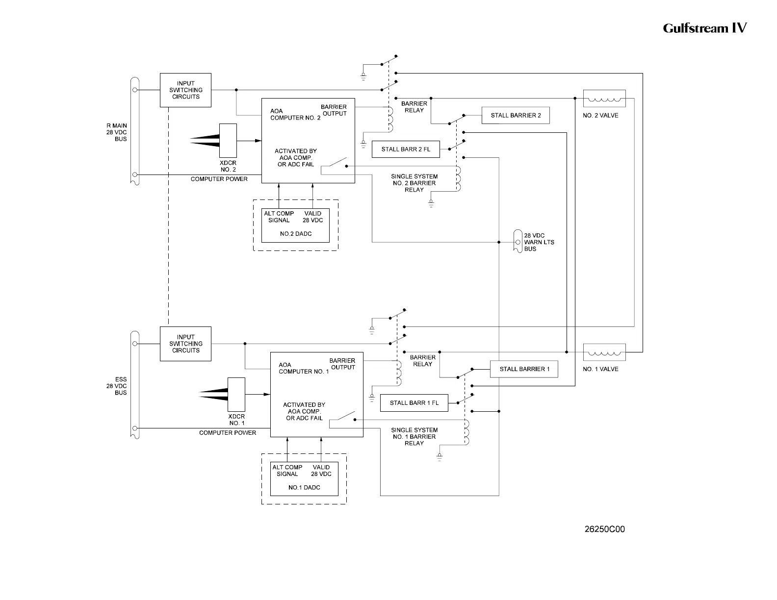
Stall Barrier / Angle of
Attack Wiring Schematic
Figure 4
OPERATING MANUAL
2A-27-00
Page 19 / 20
January 31/02

Table of Contents