EasyManua.ls Logo

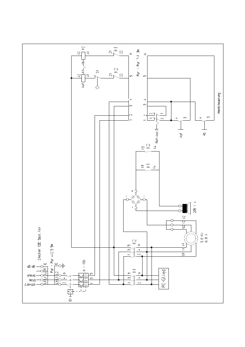
Habegger HIT-TRAC 16 E - Elektrisch Schema Nr. 900 00022

Habegger HIT-TRAC 16 E
Print Icon
To Next Page IconTo Next Page
To Next Page IconTo Next Page
To Previous Page IconTo Previous Page
To Previous Page IconTo Previous Page
Loading...
18
4.1 Elektrisch schema nr. 900 00022

Table of Contents